Объявление

Свернуть
Пока нет объявлений.

Патч антенна ( Patch ANT v.3 ) 50-ти Омный

Свернуть
X
 
  • Фильтр
  • Время
  • Показать
Очистить всё
новые сообщения

    MrNemo, разъемы n type слишком великоваты для меня будут, а вот SMA в самый раз. Хочу заказать на алиэкспресс. Вот вопрос как уплывут характеристики вашей модели антенны, если поставить его ? (Там другое расстояние между крепежными винтами 8,6 или 8,64 мм и бывают разные диаметры штыря запитки 1.27 или 1.3 мм).
    Вложения

    Комментарий


      Сообщение от inet255580 Посмотреть сообщение
      MrNemo, разъемы n type слишком великоваты для меня будут, а вот SMA в самый раз. Хочу заказать на алиэкспресс. Вот вопрос как уплывут характеристики вашей модели антенны, если поставить его ? (Там другое расстояние между крепежными винтами 8,6 или 8,64 мм и бывают разные диаметры штыря запитки 1.27 или 1.3 мм).
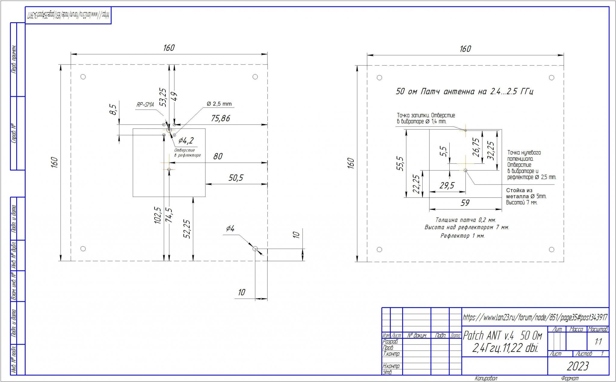
      размеры патча для толщины 0.2 мм немного увеличил. длина 55.5 мм, смещение стойки и запитки не трогал пока.

      1 - патч на N-type
      Нажмите на изображение для увеличения.

Название:	tp_0.2_Ntype_noPTF.png
Просмотров:	903
Размер:	164.5 Кб
ID:	343769

      2 - патч на RP-SMA с тефлоновой оболочкой и межцентровыми отверстиями 8.64
      Нажмите на изображение для увеличения.

Название:	tp_0.2_PTF.png
Просмотров:	853
Размер:	165.3 Кб
ID:	343770

      3 - патч на RP-SMA без тефлоновой оболочки и межцентровыми отверстиями 8.64
      Нажмите на изображение для увеличения.

Название:	tp_0.2_noPTF.png
Просмотров:	852
Размер:	139.1 Кб
ID:	343771

      по той модели у меня есть несколько вопросов.
      я не нашел в свободном бюджетном доступе стоек диаметром 5 мм и высотой 7 мм.
      по поводу разъемов обещают одно, высылают - не рядом. скорее всего размеры 8,6/8,64 и 1,27/1,3 связаны с методами измерений и округлений, хотя в стречаются и центральные пины и 1 мм и 1,5 мм
      если есть возможность, лучше взять разъем без фторопластовой оболочки вокруг пина. когда приедут разъемы, тогда точнее модель сделать можно и чуть подкорректировать размеры, но если нет прибора, скорее всего в идеал не попадете с первого раза.

      так же есть вопрос по поводу размеров рефлекторов и каковы есть исходные заготовки, на сколько я понял, жестких требований по климату и эстетике нет, если так и есть кусок железа 400*400 мм (это как раз примерно одна боковушка от корпуса на одну антенну), то с "одинокого патча" можно снять около 14,5 dBi.
      Нажмите на изображение для увеличения.

Название:	14dbi.png
Просмотров:	875
Размер:	158.9 Кб
ID:	343772

      еще раз опишите все подробно, что есть и какие варианты крепления предполагаете, желательно с ИСТИННЫМИ размерами элементов.
      как будет предоставлена полная информация,по факту и все пересчитаем. я думаю, uve не пройдет мимо, так же.

      Комментарий


        Еще раз огромная Вам благодарность за ответы. И к тому же у других участников форума будут куча вариантов с разными типовыми разъемами для повторения. По поводу стоек вообще не заморачивайтесь - найду у себя в хламе что нибудь, на станке обточить вообще не долго. Материалы специально тоже использую очень распостраненные, крышек от системников хоть больших, хоть маленьких, и больших консервных банок на любой свалке навалом - нужно только присмотреться. (надо будет - еще схожу возьму х) ), а у кого то и дома есть. Кстати крышки от древних системников чуть по толще чем от современных и увесистее. По креплению - сначала думал сделать как я делал на патче 3й версии, но читая Ваши сообщения, сделал выводы, что каждый элемент под или рядом с вибратором (например головка болтика) искажает характеристики антенны - видимо каким то чудом попал в резонанс на патче 3й версии. И что бы ни кого лишний раз не грузить с пересчетом и у других форумчан была возможность для повторения без пересчета - буду делать отверстия по углам или по краям рефлектора там влияния головок болтиков уже почти не будет и уже можно какой угодно крепеж сделать. Ну модель с лепестками -нуу помойму это лишнее уже , хотя может кто-то и сделает.

        Комментарий


          Кстати по поводу консервных банок - пишу специально для тех, кто будут использовать в качестве вибратора или других элементов в этих, или других антеннах. Никогда не используйте маленькие банки от сгущенки - там марка железа используется другая и материал деформируется от легкого прикосновения пальца и потом нужно разгибать обратно. Использовать можно только от Больших консервных банок (фото подобных на несколько страниц ранее) или даже те, которые размером с небольшое ведро. Там используется упругая сталь 0,2 - она при прикосновении не деформируеся, а разгибается обратно.

          Комментарий


            MrNemo, а можно узнать ответ: - Например - если кто-то вздумает внаглую увеличивать диаметр штыря точки запитки (не важно 3я или 4я версия патча) скажем вместо 1.27 мм. сделают 2,5 мм. - то в какую сторону уйдет резонанс антенны вверх или вниз и на сколько мегагерц ? (Другие размеры антенны при этом не меняются).

            Комментарий


              Inet, штырь запитки по сути провод, увеличивая его диаметр Вы уменьшаете индуктивность этого провода. Поэтому кривая Im на графике импеданса сместится немного вниз. На частоте оптимальной настройки появится ёмкостная реактивность.

              Комментарий


                Пришли разъемы SMA замерил фактические размеры.

                Высококачественная гнездовая вилка SMA с 4 отверстиями, фланец, шасси, Панельное крепление, паяльный медный штифт, 3 мм, PTFE, 12 мм, латунь (1 штука).

                https://aliexpress.ru/item/100500350...00026648213116



                Антенный кабель-конвертер U.FL/IPX в SMA разъем RG1.13, кабель Pigtail SMA штекер в IPEX антенна, Wi-Fi кабель, кабель, RP-SMA-J (5 штук в комплекте).

                https://aliexpress.ru/item/100002029...00000146976508

                Вложения

                Комментарий


                  Материалы для изготовления...

                  MrNemo, замерил фактические размеры разъема SMA. Стойки тоже есть диаметром 5 мм длинные. (по высоте буду обтачивать). Вибратор тот же сталь 0,2 мм. Рефлектор железо от крыжек системных блоков. Можно собирать антенну, или требуется корректировка модели ?
                  Вложения

                  Комментарий


                    Стойка в точке нулевого потенциала точно в том же месте останется, при толщине вибратора 0,2 мм, или ее нужно будет сдвинуть ?

                    Комментарий


                      Пока еще не обработанные заготовки квадратов рефлектора, со сторонами 160*160 мм. Толщина железа 1 мм. (от верхней крышки системника).

                      MrNemo, жду по возможности Вашего ответа - требуется ли коррекция модели по выложенным реальным размерам разъема и отверстиям крепления рефлектора, и требуется ли смещение стойки в точке нулевого потенциала, в случае вибратора 0,2 мм сталь. Если коррекция модели не требуется - то я буду собирать антенну. Если бы не ожидание разъмов из китая - давно бы уже собрал и выложил фото..
                      Вложения

                      Комментарий


                        Inet....., на заре своего изучения симулятора HFSS прочёл рекомендации фирмы Ансис по сходимости расчётов с реальными измерениями: " 1 Рассчитать геометрию, 2 изготовить геометрию, 3 измерить характеристики, 4 внести в модель симулятора изменения установок, которые дадут расчёт близкий к измеренному". Вдумайтесь в смысл и делайте антенну, полезные рекомендации Вы получите после публикации здесь результатов измерений.

                        Комментарий


                          UVE, всегда приятно читать комментарии и рекомендации проффессионалов .

                          Комментарий


                            Собрал на пробу антенну с новой геометрией. Хотел по началу две штуки сделать, но запорол сверлом у одной рефлектор...

                            Так ну по ходу сразу без подстройки попал в резонанс. Ну с рефлектором на 160 мм помощнее будет, чем с рефлектором на 90 мм, только направлять нужно теперь более точно.

                            Направил произвольно на окно - скрин сетей из программы "Вистумблер" во вложении. В виндовсе в нижнем правом углу рабочего стола - отображало аж 57 сетей (если антенну направить в одну точку и больше не разворачивать).

                            Если развернуть антенну от противоположную от окна сторону - появляются другие сети.

                            Те, кто захотят - могут повторять. Замечаний пока не выявил в работе.
                            Вложения

                            Комментарий


                              При том для сравнения смартфон на андроиде отображал при развороте на окно всего 14 сетей... WI-FI

                              Комментарий


                                При использовании данной антенны обнаружил эффект - если отключить роутер, расположенный дома, в нескольких метрах от антенны, то по шкалам уровни соседских сетей и тех что за окном возрастают.

                                Раньше ничего подобного не замечал - видать антеена настолько мощная, что в адаптере с чипом MediaTek 7601UN стала работать АРУ (автоматическая регулировка усиления).

                                Поэтому при использовании такой антенны на дальние расстояния, точки доступа у себя дома надо отключать и по возможности за ближайшими стенами...

                                Комментарий

                                Обработка...
                                X