Так... Буду кусок алюминия или толстой оцинковки искать. Если сделаю - выложу фото .
Объявление
Свернуть
Пока нет объявлений.
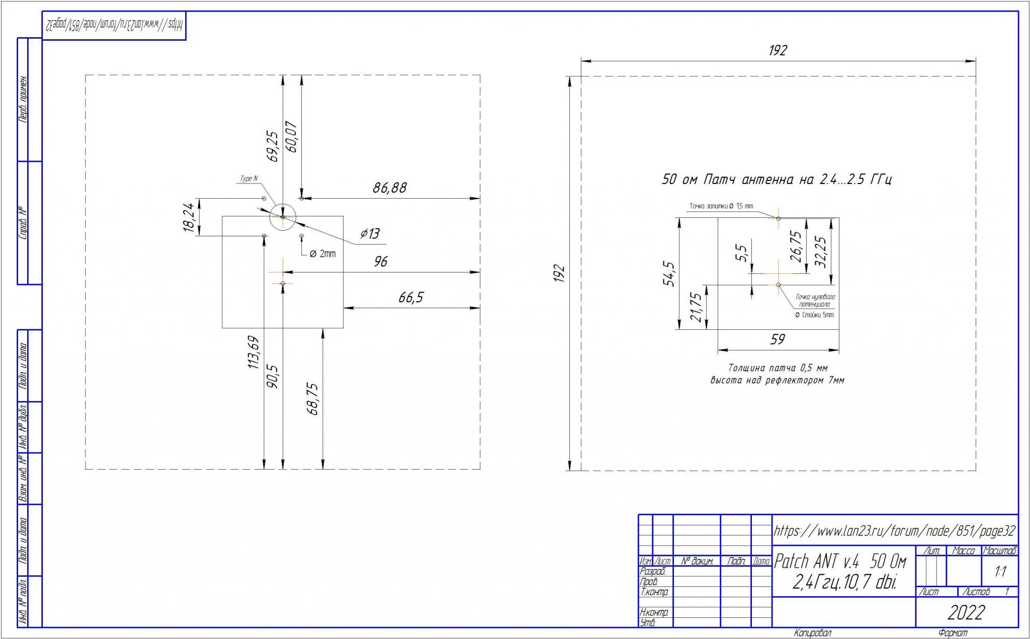
Патч антенна ( Patch ANT v.3 ) 50-ти Омный
Свернуть
X
-
По поводу круглого рефлектора, диаметром 190 мм. Первое что пришло в голову - можно такой установить на небольшую глубину в корпус от прожектора НО06-300-01У1, и за рефлектором при этом куча места останется под точку доступа/усилитель или адаптер. Еще и маскировка антенны хорошая. Сам такое точно делать не буду, но как вариант для энтузиастов при значительном удалении зданий, пара таких прожекторов в самый раз.
Комментарий
-
По поводу размеров на черчеже от руки в шапке и чертеже в компасе (именно размер 6,5 - сделан в верхней части точки нулевого потенциала до центра. На компасовском черчеже 7,75 от центра вибратора до центра точки нулевого потенциала) По ходу этот размер был измерен вручную и не точно. Программа компас высчитывает и проставляет размеры автоматически, что очень удобно.
Комментарий
-
Для согласования лучше 7.5 мм сдвиг стойки от центра, для меньшего отклонения ДН от нормали к патчу 6.5 мм. Конечно лучше эту геометрию слегка подправить и установить стойку в точку нулевого потенциала под патчем. На скрине распределение напряжённости электрической составляющей поля под патчем. Искажение фронта в верхней пучности поля говорит о неверном выборе места установки стойки под патчем. Просто сдвинуть стойку нельзя, понизится импеданс, нужно менять и геометрию антенны.
Комментарий
-
С такого размера можно снять 15+ dbi. В чем тайный смысл одного патча на огромном рефлекторе?Сообщение от uve Посмотреть сообщениеВерсия 4
Комментарий
-
CST показывает несколько иные размеры экрана для максимального усиленияСообщение от uve Посмотреть сообщение203*203 мм
квадрат со стороной 160мм
да и длина патча 55 мм вместо 54.5 при условии диаметра пина 1.27 и гаек м2.5 для крепления разъема.
2450Uve_v4.cst
Комментарий
-
а если под двойной патч корыто побольше подстелить? физику налюбить не особо получается.Сообщение от inet255580 Посмотреть сообщениеПодтверждаю. Простота конструкции и эффективность работы. Усиление такое же, как у двойного патча.
Комментарий
-
Ну да не налюбишь ее.. MrNemo, а можно пожалуйста аналогично, только под разъем СР50-73ФВ просимуливать и какие размеры вибратора и размеры экрана (рефлектора) для максимального усиления при этом будут ? Диаметр штырька запитки 2,5 мм. Гаечка под ключ на 14. Высота гайки 2 мм, +шайба под гайкой 0,5мм. Диаметр болтика в точке нулевого потенциала 4 мм. Буду подкладывать шайбы с задней части рефлектора под разъем, спереди будет только выпирать 3 мм резьбы для гайки и шайбы.Последний раз редактировалось inet255580; 11.12.2022, 06:39.
Комментарий

Комментарий