Объявление

Свернуть
Пока нет объявлений.

Мой опыт востановления DWL-2100AP через COM порт

Свернуть
Это закреплённая тема.
X
X
 
  • Фильтр
  • Время
  • Показать
Очистить всё
новые сообщения

    Сообщение от belokuriha
    и все же так для спортивного интереса как форматнуть флешь и создать папку /fl
    Код:
    diskInit "/fl"
    папка /fl останется, ничего создавать не надо

    Комментарий


      Сообщение от Mash55 Посмотреть сообщение
      Код:
      diskInit "/fl"
      папка /fl останется, ничего создавать не надо
      Это в чем писать??
      Ремонт оборудования Ubiquiti и Mikrotik

      Комментарий


        Доброй ночи ,Господа Специалисты.
        Тоже подобная проблема ,слетела прошивка на DWL-2100AP но она у меня вообще не такая как у вас на картинках.Проблема заключается в незнании распиновки Rx, Tx, моей точки.
        Там 2-а одинаковых разьёма по 2-а ряда в каждом ,а у вас один разьём в 2-а ряда ,а один в один ряд(то есть ваш рабочий).
        Мож у кого есть распиновка на мою точку?

        Комментарий


          Это видно 2 ревизия железа точки, смотри на 15 странице докумета http://www.itanet.fvg.it/softwareita...%201.03%29.pdf

          Комментарий


            Спасибо,буду разбираться

            Комментарий


              Восстановил две 2100х, перепаял флехи, залил загрузчик с епромом по jtag, отконфигил боард, после чего залил прошивку. Все работает только с одна проблема - обе слепы (ловят только в самой близи). В ходе разберательств выяснил:
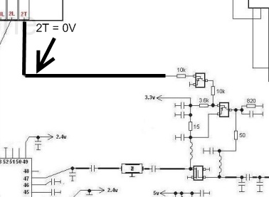
              Нажмите на изображение для увеличения.

Название:	2t.jpg
Просмотров:	1
Размер:	22.0 Кб
ID:	209341
              Что на выходе 2T Аттероса постоянно сидит ноль вольт, тода как у нормальных там 3В. Что я мог не отконфигить и какой командой включить питалово на входной транзюк?

              Комментарий


                а если транзистор пробило и он на 0 садит, или рвал дорожку
                Дима
                вторая колонка в ulmart.ru Промо-код: 1507239

                Комментарий


                  Через 10кОм садит? Тестером перемерял вдоль и поперек, вначале тожа думал перегрели, все элементы живы, нигде пробоев и разрывов нету, ноль вольт именно на 2T выходе Атероса у обоих.

                  Комментарий


                    а после чего так?
                    Дима
                    вторая колонка в ulmart.ru Промо-код: 1507239

                    Комментарий


                      Рассказываю всю историю: умерли три 2100х.
                      1я - перестали сохранятся настройки, после перезагрузки оставались прежние, после передергивания питалова уже не загрузилась, загрузчик жив но на любые манипуляции с флехой (копирование, удаление, чеканье, форматирование) ответ один - faled.
                      2я - попала влага на сетку и ремку, загрузчик мертв.
                      3я - новокупленная на место второй остановилась/зависла после 4х часов работы без явных причин и нагрузок, полная тишина в консоли (индикаторы по нулям).
                      Действия: пересадка флехи с 3й во 2ю (так как небыло времени разбираться с jtag) и 2я полностью оживает. В 1ю и в 3ю впаиваются новые флехи и заливаются загрузчики и т.д. Первая оживает, 3я отказывается шиться по jtag, препаял ишо и ремку, после этого прошилась.
                      Ну вот собсно 1я и 3я с таким боком и осталась.

                      Комментарий


                        а проц с флюсом погреть подольше мало ли чего
                        хотя не очевидно это
                        Дима
                        вторая колонка в ulmart.ru Промо-код: 1507239

                        Комментарий


                          Проблема решилась заливкой нормального eeprom.bin вырезанного с фулфлеша. До этого лил скачанный с простор от DWL7000 с обещаниями, что в 2100х точно такой же. Ну как оказалось ПОЧТИ точно такой же.

                          Комментарий


                            What is the model ap2100 chipset ..?
                            Atheros Ar5001x, Ar5004, Ar5007??

                            Do you have datasheet.


                            Thnx
                            [B]Приветствия[/B]

                            Комментарий


                              умерла точка

                              Приветствую друзья!! Имеется точка D-link 2100ар проработав без нареканий целых 3 года !! и тут случилось беда ночью свет выключили 3 раза подряд с интервалом пару секунд и всё точка ушла в ребут. точка старенькая Ver A2 но всё же хочеться её восстановить через сом порт. имел навык восстановление точки доступа 2100 в более новой версии как описанно в теме восстановления. вот её фоточки

                              вопрос в том что я не знаю куда подпаивать проводки там Tx Rx GND подскажите пожалуйста..

                              Комментарий


                                ну ответь те плиз вы же знаете где в этом разъёме можно подключить эти входа

                                Комментарий

                                Обработка...
                                X