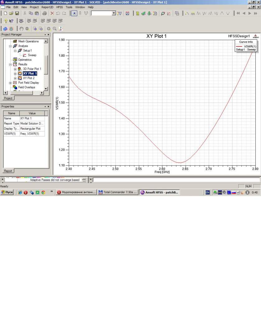
Мне нравиться, как не халявь, а и из ксв 2, сложно выскочить, нужно иметь очень кривые руки))).
Незабываем, что это не просто модель, а очень технологичная и проверенная конструкция, лично делал на табуретке (из инструментов были только напильник и ножницы)))
Тут поподробнее http://www.lan23.ru/forum/showthread.php?t=7711
Незабываем, что это не просто модель, а очень технологичная и проверенная конструкция, лично делал на табуретке (из инструментов были только напильник и ножницы)))
Тут поподробнее http://www.lan23.ru/forum/showthread.php?t=7711
