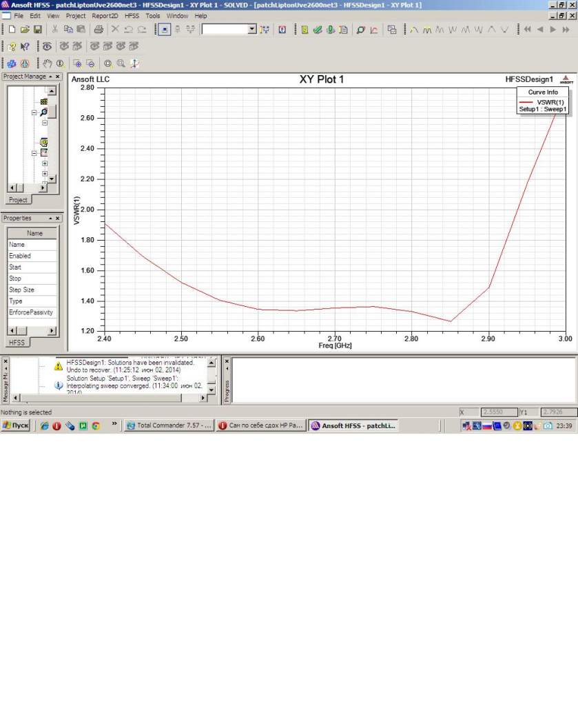
Aleks притащил файл патча вот с таким графиком КСВ. Очень бы хотелось выслушать мнение Боссов!!!
Объявление
Свернуть
Пока нет объявлений.
AleksPath или нефига себе полоска!!!???
Свернуть
X
-
А это значит, что он взял этот файл и внес в нем единственное изменение, запитку цилиндром заменил на запитку полоской 10 мм ширина, 1мм толщина, и длинной 7.5мм.Сообщение от kuslik Посмотреть сообщениеназвание файла на скриншоте patchLiptonUVE2600
чтобы это могло значить....Последний раз редактировалось baxmud2; 03.06.2014, 18:40.
Комментарий
-
Размеры сдесь http://www.lan23.ru/forum/showthread.php?t=11349 и см. пост выше.Сообщение от jass66 Посмотреть сообщениеСказал "а" , говори "б". Выкладывай хотя-бы рисунки с примерными размерами. Антенна явно двухрезонансная.
Комментарий
-
Конечно недоговариваю, знаний об этих делах нехватает, вот и язык сам тормозиться)))Сообщение от jass66 Посмотреть сообщениеОднако что-то не договариваешь.
Комментарий
-
Ну это я понимаю, но ведь такую широкую полосу по КСВ выдало, на диапазон 1900-2200 4-5 директоров городятСообщение от jass66 Посмотреть сообщениеТо что в теме не может иметь два резонанса. Для этого нужны особые извращения в конструкции.
чтоб в полоску 260 по уровню КСВ 1,5 во всем диапазоне заиметь, а тут походу одним патчем можно обойтись.
Комментарий
-
Проверил, поигрался, получилось полоска по уровню 1,5 400 МГцСообщение от jass66 Посмотреть сообщениеМодель может быть корректная ,но достаточно электрически не соединить какие-то элементы и можно получить невероятные данные.Проверь весь свой проект внимательно, питающая пластина теоретически может дать второй резонанс.
Думаю, что может получиться хороший облучатель для 3Г
Комментарий
-
Не, не получиться, на неделе будем деоать макет!Сообщение от Vodkaman Посмотреть сообщениеКак бы не получилось как с Вивальди. После 2,4 - все ничтяк, а ДО не хрена не работает.
Комментарий



Комментарий