Jomy, а может лучше поможите мне довести этот облучатель (на два резонанса) до рабочего вида? И всем будет хорошо!)))
Объявление
Свернуть
Пока нет объявлений.
Облучатель для оффсетки 3G
Свернуть
X
-
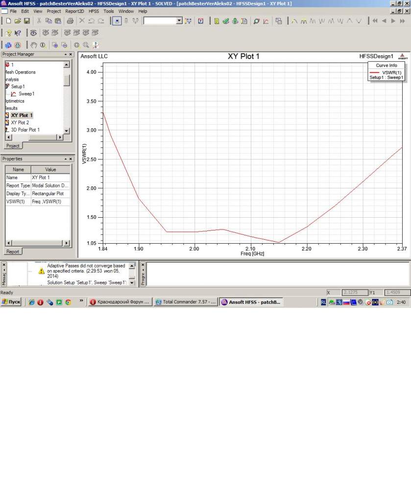
размеры в архиве (файл HFSS)Сообщение от jomy Посмотреть сообщениеХорошо Baxmud, но мне нужно, чтобы ты дал мне размеры ...!!
Комментарий
-
Потерять усиление 3 дб при антенне 25дби не так страшно, а вот потерять скорость, когда волны просачиваются через листву страшно, так что такая антенна имеет право жить!Сообщение от pawel40 Посмотреть сообщениеНарод вот откуда у сотовиков круговая поляризация возьмется?
Вы просто теряете 3db на не правильной антенне. Правильная антенна с Х.
Почитал бы что ли что сотовики ставят на базы или сами посмотрели бы.
Комментарий
-
Так лучше Jomy!!! Истина где то рядом!!!Сообщение от jomy Посмотреть сообщение,,,ok...!
Комментарий
-
а чем, в такой ситуации, вам поможет круговая поляризация? из ваших слов, из-за листвы вам и так каждый децибел нужен.Сообщение от baxmud2 Посмотреть сообщениеПотерять усиление 3 дб при антенне 25дби не так страшно, а вот потерять скорость, когда волны просачиваются через листву страшно, так что такая антенна имеет право жить!ОСТОРОЖНО! КУСАЮСЬ!!! :diablo:
Комментарий
-
Сообщение от Vodkaman Посмотреть сообщениеBax, выложи модель в CAD формате, пожалуйста.
,, Vman, это работает ...?
vman.zip (1.2 Кб)
Вложения
Комментарий
-
Nope! Can you save it in *ipt, *stp, or *igs file format?Сообщение от jomy Посмотреть сообщение,, not that there ...???
Комментарий


Комментарий