Доброго времени. Скоро весна, а с ней и первые грозы... Почитал темки по грозозащите точек доступа - все покупают готовую продукцию за килорубли. У меня руки прямые, переплачивать не хочется. Хочу сделать сам. Может кто подскажет, по какой схемке лучше собирать грозозащиту на LAN порты точек доступа? Пока приглянулись две схемки... на вид простенькие, но и отзывы о них положительные. Только вот какая всё же лучше? Та, которая с разрядником или та, которая без разрядника? По питанию защиту не трогаем, как организовать знаю.
Объявление
Свернуть
Пока нет объявлений.
Схемы грозозащиты проводной сети
Свернуть
X
-
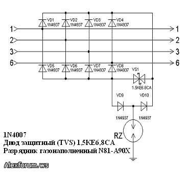
Ну это-то понятно... не понятно нафига там разрядник? Почему бы вместо него не поставить тот же супрессор с пропуском по току "тудым-сюдым", т.е. в обе стороны? Разрядник сработает при напряжении 75 вольт (на нижнее напряжение у нас не продают), а супрессор при достижении напряжения 6,8 Вольт станет перемычкой. Т.е. выходит, что применение супрессора вместо разрядника будет эффективнее? Второе. Паралельно разрядникам ещё иногда ставят варисторы (в супер-пупер заводских грозозащитах).Для чего? Варистор тоже становится перемычкой при достижении определённого напряжения. Не тот же супрессор? Разрядник в таком случае становится на второе место. Смысл в разряднике вот не пойму.Сообщение от Алексей Посмотреть сообщениесупрессор,разрядник, и 8диодов, вот и вся защита. да и заземление надо хорошее и только с одной стороны.
Комментарий
-
А где достать такие трансформаторы? Название? Или как изготовить самому? Можно ли надрать с совковых роутеров? В точках доступа тоже стоит гальваническая развязка на трансформаторе, но она не спасает. Как эта гальваническая развязка отличится на длине и скорости прокачки по витухе?Сообщение от Василий386 Посмотреть сообщениеНи одна из этих схем. Все эти стабилитроны это фигня. Высокое и их сожгёт и порты.
Основополагающим элементом УГЗ должен быть трансформатор. Чтоб не было гальзванической связи между входом и выходом.
хttp://www.info-sys.ru/rg5.html - вот как здесь.
Я пытался найти информацию по гуглу по поводу этих трансформаторов. Возможно, оно и лучше будет... но нигде названия трансформаторов не нашёл, также не нашёл информации на чём и как их мотать (на ферите или на железе, какого размера и сколько витков каким проводом)...
Надеюсь вот на то, что кто-нибудь да подскажет.
Заказал одну РГ-4 (100 мегабит + PoE) в WMD за 390 рублей. Там трансформаторы есть, но они не делают гальванической развязки, а просто включены между 1-2, 3-6 жилами и середина обмотки каждого из них идёт через разрядник на землю. Рекомендуют вот защищать точки доступа UBNT такими. А с гальванической развязкой имеются только гигабитные, нор они мне не подходят, т.к. у меня питание по витой паре, и эта гальваническая развязка будет коротить это питание. Либо заказывать гигабитную защиту и выпаивать с неё половину элементов. Стоит такая гигабитная защита 990 рублей. Слишком уж круто. 8 точек доступа + витуха через крышу между многоэтажками - итого 10 штук по 990 рублей. Очень круто. Узнать бы что там за трансформаторы такие...Последний раз редактировалось KOT; 08.03.2014, 16:37.
Комментарий
-
Кроме этого производителя УГЗ с трансформатором никто не делает. Такое вот "ноу-хау". Трансформатор у них вытравлен на плате и заключён в ферритовый сердечник.
Их УГЗ даже без заземление обеспечивают неплохую защиту. А с заземлением, защита близка к идеальной.
Не валяйте дурака, их УГЗ стОит 240 р. за штуку. При самостоятельном изготовлении , она точно не получится дешевле.
Вот ещё : хttp://www.info-sys.ru/downloads/metod_RG.pdfRK3DDK :)
Комментарий
-
Сообщение от Василий386 Посмотреть сообщениеКроме этого производителя УГЗ с трансформатором никто не делает. Такое вот "ноу-хау". Трансформатор у них вытравлен на плате и заключён в ферритовый сердечник.
Их УГЗ даже без заземление обеспечивают неплохую защиту. А с заземлением, защита близка к идеальной.
Не валяйте дурака, их УГЗ стОит 240 р. за штуку. При самостоятельном изготовлении , она точно не получится дешевле.
Вот ещё : хttp://www.info-sys.ru/downloads/metod_RG.pdf
>> С гальванической развязкой имеются только гигабитные info-sys, но они мне не подходят, т.к. у меня питание по витой паре, и эта гальваническая развязка будет коротить это питание. Либо заказывать гигабитную защиту и выпаивать с неё половину элементов. Стоит такая гигабитная защита 990 рублей. Слишком уж круто. 8 точек доступа + витуха через крышу между многоэтажками - итого 10 штук по 990 рублей. Очень круто. Узнать бы что там за трансформаторы такие... У вас-то может там и дешёвые, а мне оплачивать стоимость 990 рублей + 3 % комиссия + ещё забирать с другого города, а это ещё + 300 рублей на проезд и пол дня потраченного времени =( Вот так вот. Поэтому мне дешевле сделать самому. Знать бы из чего
Комментарий
-
о как ! посмотреть бы фото !Сообщение от Василий386 Посмотреть сообщениеТрансформатор у них вытравлен на плате и заключён в ферритовый сердечник.Vladimir
Комментарий
-
Ethernet РГ5Сообщение от VBM Посмотреть сообщениео как ! посмотреть бы фото !
Ethernet РГ6
Ethernet РГ4 PoE
Комментарий
-
Нашёл в гугле картинки той самой самодельной гальванической развязки. На ферритовое кольцо диаметром 20-30 мм мотают витую пару в 20 витков (как для tx, так и для rx. В общей сумме получаются 2 кольца с типа обмотками)...
На фото видно, что у трансформаторов по 3 витка... что если взять ферритовые кольца наружным диаметром 10 мм проницаемостью 2000-3000 НМ и намотать на них по 6 витков? Должно же вроде как работать? Только вот думаю, не маловато ли по 6 витков будет?
Комментарий


Комментарий