Вот фотки.
Объявление
Свернуть
Пока нет объявлений.
Схемы грозозащиты проводной сети
Свернуть
X
-
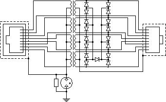
Вот схема РГ-5 на 100 мбит и на 1000. С заземлением.Сообщение от Влад_Полтава Посмотреть сообщениеКОТ, как на меня те ферриты "до одного места". От статики подскачет питание в первичке, это отобразится и во вторичке. Тут имхо нужно ставить грозоразрядник от средней точки как у тп-линке 5210/ 7510.RK3DDK :)
Комментарий
-
Я думаю, нет.Сообщение от KOT Посмотреть сообщениеВопросик ещё такой, может и немного странный... от шокеров грозозащита спасает? Я к тому, что мало ли кому что в голову взбредёт... идиотов ведь хватаетRK3DDK :)
Комментарий
-
Из любопытства, неделю назад грозозащиту РГ-6 (это в которой заземление не предусмотрено, только два трансформатора) жгли шокером на 90 кВ. Ни один порт не вылетел, хотя жгли прямо в разъём УГЗ через пачкорд.Сообщение от KOT Посмотреть сообщениеВопросик ещё такой, может и немного странный... от шокеров грозозащита спасает? Я к тому, что мало ли кому что в голову взбредёт... идиотов ведь хватает
При использовании 2-х самодельных трансов на ферритовых кольцах, от шокера порты выгорают в лучшем виде.RK3DDK :)
Комментарий
-
Сгореть может даже ..., варистор тож ежели превышен ток!Сообщение от Василий386 Посмотреть сообщение
Варистор как себя ведет ? Как стабилитрон ? Сработал и его отпустило ? Или он одноразовый ? Сгорает и становится в коротыш ?
Комментарий
-
Да, но как выше было сказано - переедание его порой доводит до печальных последствий.)))Сообщение от Василий386 Посмотреть сообщениеСработал и его отпустило ?
Комментарий
-
При приходе высоковольтного импульса, его энергия замыкается на землю. При этом на диоде (супрессор, TVS diode, стабилитрон...) выделяется мощность пропорционально сопротивлению его перехода. При достаточно длинном или сильном импульсе, медленном диоде, возникает режим "Ой!" с пробиванием перехода и попаданием энергии хвоста импульса в защищаемую схему. Варистор энергию импульса рассеивает на себе в виде энергии. Поэтому при больших энергиях (амплитуда х время) варистор разрывает. Разрядник позволяет закоротить энергию импульса через себя на землю без последствий для своей работоспособности, но но работает при больших амплитудах импульса.Сообщение от KOT Посмотреть сообщениекакая всё же лучше? Та, которая с разрядником или та, которая без разрядника? Паралельно разрядникам ещё иногда ставят варисторы (в супер-пупер заводских грозозащитах). Для чего?
Поэтому используются комбинации элементов в зависимости от класса угроз.
И самое главное - все это не работает без заземления!!!
Комментарий

Комментарий