Сообщение от uve
Посмотреть сообщение
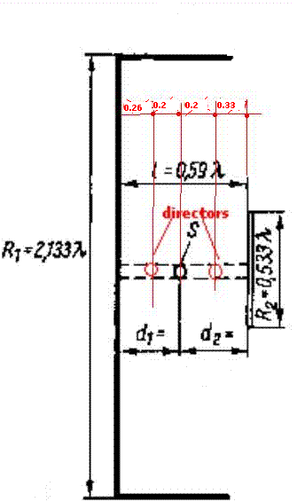
остальные размеры как на чертеже с красными правками?
п.с. есть еще предположение, что с рассотянием от вибратора до директоров 24.4 мм с сопротивлением попроще станет (но тогда, возможно, маленький рефлектором нужно поднять выше уровня бортика)

Комментарий