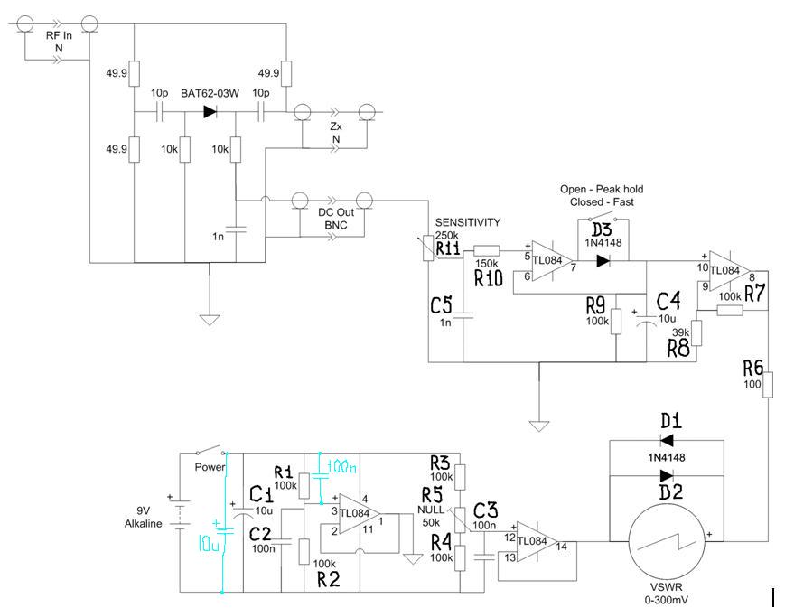
Сделать его не сложно. В статье есть и схемы и два моих варианта печатной платы. Детали есть на Героев. Что касается самого моста и детектора, то делать его нужно очень аккуратно.
Объявление
Свернуть
Пока нет объявлений.
Wi-Fi (V)SWR Meter. КСВ-метр для 2,4 ГГц.
Свернуть
X
-
Думаю, что ЭТО является отдельной ВАЖНОЙ частью прибора - можно попробовать "изготавливать на заказ" ! Но цена не будет копеечной, имхо.Сообщение от mcWit Посмотреть сообщениеЧто касается самого моста и детектора, то делать его нужно очень аккуратно.Vladimir
Комментарий
-
Можешь фотографии добавить в статью.
Основываясь на статье http://www.qsl.net/i1cra/wifiswr.htm, в которой в стандартной схеме используется резистор
решил попробовать.50Ω micro dummy (MDUMMY-EMC Super micro resistor 50 ohm 1% 15 GHz, Barend Hendrikse)
Нашел советский свч резистор, поставил в схему. Результатом остался доволен.
Кроме того, чтобы на париться с 50 омной нагрузкой для калибровки, которую в домашних условиях качественно изготовить все равно не получается, рекомендую поискать в зипах к советской измерительной аппаратуре.
Комментарий
-
http://vbm.lan23.ru/wifi/vswr/vswr.html""Пришлось уменьшить КУ второго каскада в два раза. Использовать измерительную головку с сопротивлением не менее 1 кОм, в этой конструкции использовался прибор с током полного отклонения 100 мкА и сопротивление рамки 720 Ом.""
В приборе используется амперметр или вольтметр? В схеме указан вольтетр.Последний раз редактировалось black fox; 22.03.2010, 18:48.
Комментарий
-
Микроамперметр или миливольтметр ,суть - гальванометр.Вы не задумывались над тем ,что шкала прибора будет соответствовать реальному результату измерений, только при строго откалиброванном уровне мощности генератора(на схеме он отсутствует).Либо с ним нужно иметь прецизионные нагрузки на разные значения Ксв.
Комментарий
-

Комментарий