v0van а как насчет тему почитать?
Объявление
Свернуть
Пока нет объявлений.
Aнтенна Nanostation loco 2
Свернуть
X
-
Вопрос о чём???Сообщение от Ferdin Посмотреть сообщениеКак она в качестве базы для 5-10 клиентов (клиенты 2100 и dir-300 биквад) до 2 км?
Здесь речь идёт об антенне, а она не является базой!Вопросы технического характера в личку не задавайте! Всё-равно отправлю на форум!
Олег
Комментарий
-
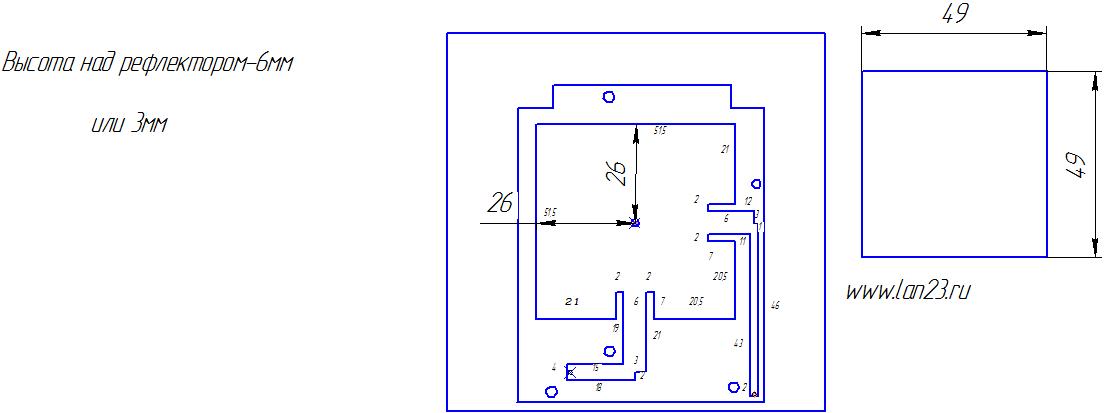
Посмотрите эту тему. Часть вопросов хотябы по правильной запитке (При внимательном просмотре) отпадет....Сообщение от sharahome Посмотреть сообщениеЧто-то на подобии этого :
Вот только размеры бы расчитать , может кто поможет ?
Комментарий
-
Запитывать несколько линеек патчей коаксиалом, по моему это маразм)Сообщение от hunterroad Посмотреть сообщениеПосмотрите эту тему. Часть вопросов хотябы по правильной запитке (При внимательном просмотре) отпадет....
Большинство панелей запитывают патчи с краю, а это в корне неверно, правильная запитка, находится в теле патча, для согласования.Один патч рассчитать легко, формулы есть, а вот уже два, значительно труднее, из за взаимного влияния...
Комментарий
-
Хорошо подумали?!Сообщение от Serglev Посмотреть сообщениеЗапитывать несколько линеек патчей коаксиалом, по моему это маразм)
Ну разведите МПЛ на текстолите! Только не в теории и проекте, а в реалии!
Добавлено через 1 минуту
А с этого момента по подробней, пожалуйста!!!Сообщение от Serglev Посмотреть сообщениеправильная запитка, находится в теле патча, для согласованияВопросы технического характера в личку не задавайте! Всё-равно отправлю на форум!
Олег
Комментарий

Комментарий