С пол года назад была потребность у моего корешка, сделать устойчивый канал. Дистанция небольшая около двух км., но прямой видимости нет(церковь) + деревья...Было решено поднять мощу на точке + параболка сетка на24дб. Передается потоковое видио в системе видеонаблюдения, это охрана, а потому должно работать в любую погоду!
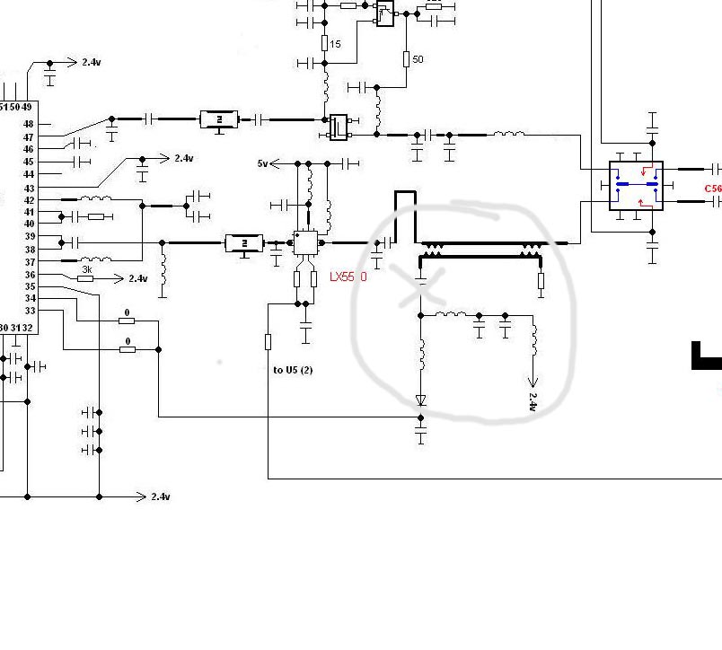
На схеме 1 изображон(выделен маркером) направленный ответвитель для замера мощности, да-да а не КСВ метр, как думают многие! Там перечеркнут кондер, его надо удалить. Таким образом мы введем трансивер в заблуждение и он будет подавать более мощный сигнал на вход оконечного усилителя. В итоге на выходе т.д. имеем 200-300мВТ вместо заводских 50мВТ. Если этого мало, можно ввести дополнительный каскад усиления, тогда получите 500мВТ, больше нельзя! Он включается в разрез дорожки, помечено крестом схема 2. Запитывать желательно в том месте где питалово появляется в режиме ТХ, или брать от туда смещение, а питалово 5В.
С такой модернизацией задача была выполнена, на родной прошиве. Канал работает уже пол года, сбоев небыло, ничего кроме основного проца не греется, но на него шмандыкнули радиатор и сняли крышку с т.д. Ничего подобного с "прошитой" точкой не получится,кроме глюков, будет срабатывать ограничитель сколькоб дБМ в настройках не выставил.
Я не пробовал на прошитой точке подрывать этот кондер(не дали разобрать ток мощность успел померить - около 80 мВт),не силен в програмировании, мне проще "блоху подковать"! Жаль,щас нету точки свободной, но как будет на руках, сделаю фотки обязательно для наглядности. Хотя по схеме и так все понятно!
Точка стоит в помещении, кабеля в одном месте 3м на другом 5м RG-8X , облучатель на параболке собственного производства! Вот!
На схеме 1 изображон(выделен маркером) направленный ответвитель для замера мощности, да-да а не КСВ метр, как думают многие! Там перечеркнут кондер, его надо удалить. Таким образом мы введем трансивер в заблуждение и он будет подавать более мощный сигнал на вход оконечного усилителя. В итоге на выходе т.д. имеем 200-300мВТ вместо заводских 50мВТ. Если этого мало, можно ввести дополнительный каскад усиления, тогда получите 500мВТ, больше нельзя! Он включается в разрез дорожки, помечено крестом схема 2. Запитывать желательно в том месте где питалово появляется в режиме ТХ, или брать от туда смещение, а питалово 5В.
С такой модернизацией задача была выполнена, на родной прошиве. Канал работает уже пол года, сбоев небыло, ничего кроме основного проца не греется, но на него шмандыкнули радиатор и сняли крышку с т.д. Ничего подобного с "прошитой" точкой не получится,кроме глюков, будет срабатывать ограничитель сколькоб дБМ в настройках не выставил.
Я не пробовал на прошитой точке подрывать этот кондер(не дали разобрать ток мощность успел померить - около 80 мВт),не силен в програмировании, мне проще "блоху подковать"! Жаль,щас нету точки свободной, но как будет на руках, сделаю фотки обязательно для наглядности. Хотя по схеме и так все понятно!
Точка стоит в помещении, кабеля в одном месте 3м на другом 5м RG-8X , облучатель на параболке собственного производства! Вот!

Комментарий