Сообщение от GrayCat
Посмотреть сообщение
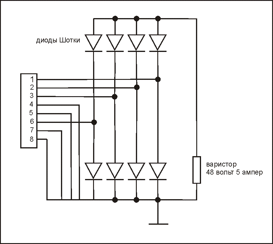
Вот вам лайаут файл-рабочий вариант.
Единственно координаты крепления-коробки блин разные идут-то 4,то 6 креплений под шурупы,хоть и партия одна.

Комментарий