Сообщение от radioham
Посмотреть сообщение
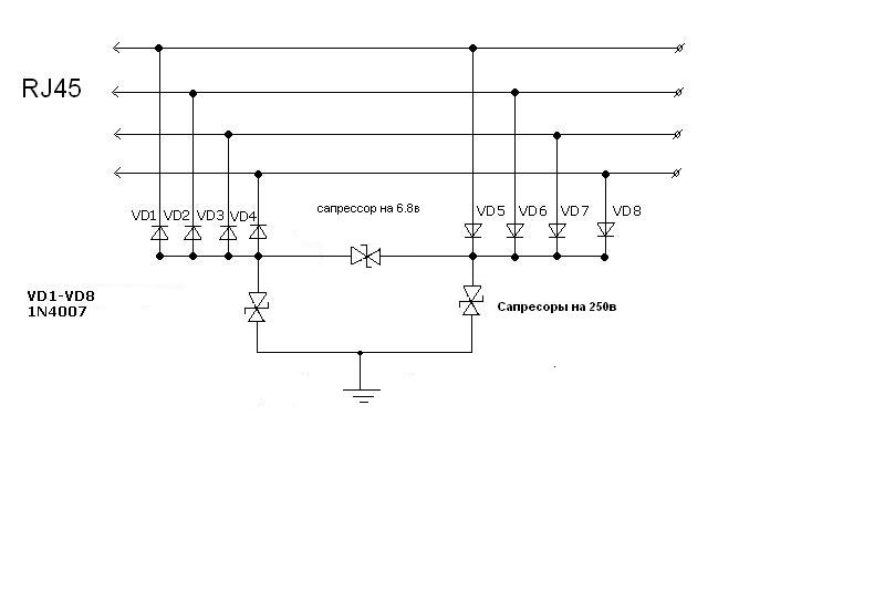
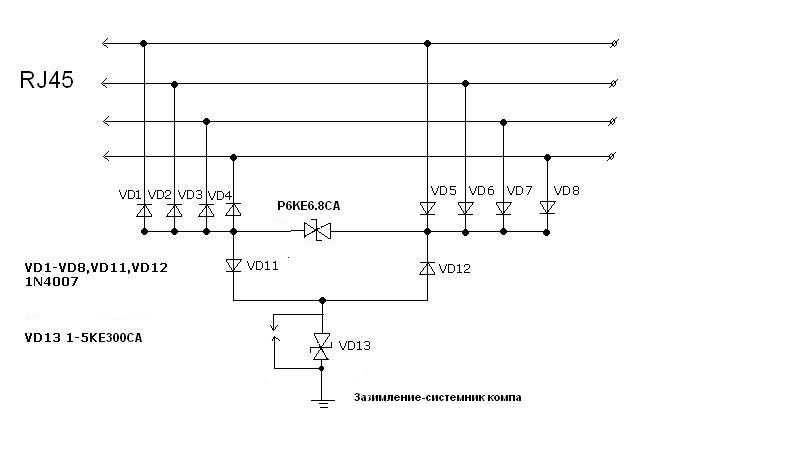
В месо кцешки можно использовать любой выпрямительный мост. Таких на рынке навалом.
А еще появились сборки, так называемые, tvs-array. В них собран мост и супрессор. Маленькая (смд), забавная штучка.

Комментарий