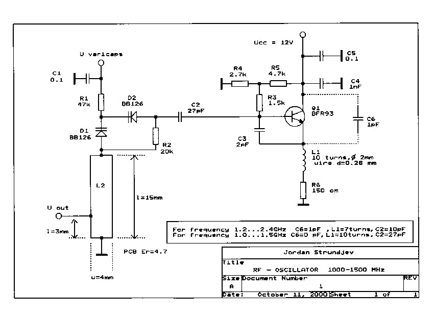
Сваял тестовый генератор на 2400мгц,что б хоть как то пртотестить частотомер. Генератор на одном транзисторе BFR505(5Ghz).
Думал чи попаду я в диапазон чи нет. Подключил спектроанализатор к компу,антену недалеко от контура,и крайне удивился тому что увидел!!!! Гениратор питал от аккума.
ЧТО ЭТО ЗНАЧИТ????????????????????
Думал чи попаду я в диапазон чи нет. Подключил спектроанализатор к компу,антену недалеко от контура,и крайне удивился тому что увидел!!!! Гениратор питал от аккума.
ЧТО ЭТО ЗНАЧИТ????????????????????

Комментарий