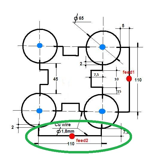
jomy, попробуй короткие (60 мм.) линии сделать, как на фото. А линии питания (120 мм.) сделать, как у тебя здесь http://postimage.org/image/45uauvhtz/
Ну естественно потребуется некоторая "настройка"...
Ну естественно потребуется некоторая "настройка"...








Комментарий