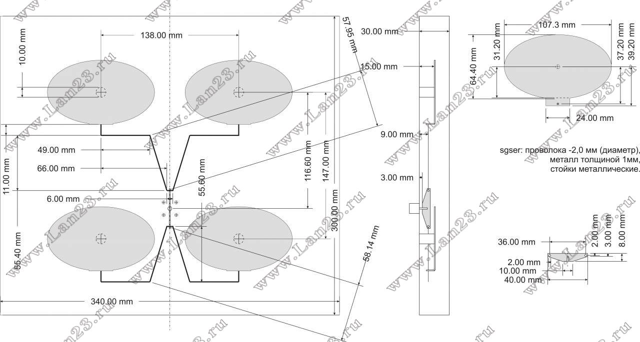
Вот этих панельных антенн сделал уже 5 штук  конструкция всё железо.  С бортиками панель прочнее. Все довольны ловит связь отлично.
		
							
						
					Объявление
				
					Свернуть
				
			
		
	
		
			
				Пока нет объявлений.
				
			
				
	
Панельная 3G антенна
				
					Свернуть
				
			
		
	X
- 
	
	
		
		
		
		
		
		
		
	
	
а можно ссылочку "на почитать поподробнее" ? а то что то тут и патчи поменьше(не 118Х70.5) и круглый провод вместо полосы.Сообщение от валет Посмотреть сообщениеВот этих панельных антенн сделал уже 5 штук конструкция всё железо. С бортиками панель прочнее. Все довольны ловит связь отлично.
Комментарий
 - 
	
	
		
		
		
		
		
		
		
	
	
Почитай с 48 странице в этой теме.Сообщение от megion22 Посмотреть сообщениеа можно ссылочку "на почитать поподробнее" ? а то что то тут и патчи поменьше(не 118Х70.5) и круглый провод вместо полосы.
Комментарий
 - 
	
	
		
		
		
		
		
		
		
	
	
Ок! убедили! Тогда до кучи еще вопрос. Не хочу тратиться на 50 омный кабель 5d-fb, много ли я потеряю при использовании 75 омного кабеля. при всем при этом имеется полный набор sma коннекторов, которые вроде как 50 Ом...Сообщение от валет Посмотреть сообщениеПочитай с 48 странице в этой теме.
Комментарий
 - 
	
	
		
		
		
		
		
		
		
	
	
Вот нашел на счет кабеля! и кому верить???Сообщение от Vodkaman Посмотреть сообщениеРаботать будет, но как - неизвестно. Вы по модему это поймете. Будет холодный - повезло, будет греться - меняйте кабель, или запасайтесь модемами...
Можно еще поГуглить, отрезать кабель кратно длине волны, сделать трансформатор 75/50 и разное другое шаманство попробовать, но со временем Вы поймете, что лучше делать сразу все правильно; дешевле выйдет.
Комментарий
 - 
	
	
		
		
		
		
		
		
		
	
	
Если смогешь припаять медную проволоку к люминевым патчам то вперед, на характеристики никак не повлияет.Сообщение от megion22 Посмотреть сообщениеа можно ли сделать патчи из алюминия? повлияет ли это на параметры? ну нет у меня оцинковки, а вот алюминия избыток!
Комментарий
 - 
	
	
		
		
		
		
		
		
		
	
	
Конечно смогу, припой марки А в наличии имеется.Сообщение от Aleks07111971 Посмотреть сообщениеЕсли смогешь припаять медную проволоку к люминевым патчам то вперед, на характеристики никак не повлияет.
рефлектор тоже из алюминия. Наша современная оцинковка настолько "хороша" что через год ржавеет, а вот алюминий нет.
еще бы "морду" антенны прикрыть чем нибудь, вообще цены бы небыло! может кто чего посоветует?
Комментарий
 - 
	
	
		
		
		
		
		
		
		
	
	
Рекомендую, без ложной скромности, все проверено, работает, только крышка нужна именно такая: http://www.lan23.ru/forum/showthread.php?t=11824Сообщение от megion22 Посмотреть сообщениеКонечно смогу, припой марки А в наличии имеется.
рефлектор тоже из алюминия. Наша современная оцинковка настолько "хороша" что через год ржавеет, а вот алюминий нет.
еще бы "морду" антенны прикрыть чем нибудь, вообще цены бы небыло! может кто чего посоветует?
Комментарий
 - 
	
	
		
		
		
		
		
		
		
	
	
Спроси пластик у рекламщиков, а в общем чем меньше на единицу объема весит пластик, тем меньше влияет на характеристики, чем дальше от патчей, тем меньше влияет на характеристики, по хорошему антенна рассчитывается с типом диэлектрика и его размерами, толщиной, который будет устанавливаться.
Комментарий
 

					
Комментарий