Объявление

Свернуть
Пока нет объявлений.

Панельная 3G антенна

Свернуть
X
 
  • Фильтр
  • Время
  • Показать
Очистить всё
новые сообщения

    #46
    JoMy, Good day!
    I see this adaptation line same as on the page 2. #17. Very interesting VSWR of antenna. Please!

    Комментарий


      #47
      Good Day to You,Oveco!!!


      ,,, I will post as soon and drawings ...!!!

      Комментарий


        #48
        Thank you JoMy !!!
        will be a new drawing !!!

        Комментарий


          #49
          ,,, чертежи обещал ...

          Комментарий


            #50
            Thank you JoMy !!!
            Respect !!!
            Happy New Year!!!

            Комментарий


              #51
              С НОВЫМ ГОДОМ ТОВАРИЩИ!!!!

              ======
              Jomy can you more detailed draw the tire of feed and its fastening
              and what height at a feed 75 ohm SAT -cable

              =======
              to Lipton
              но в силу своей лени, я даже не попробовал их нарезать...

              а ежели из круглого провода прокатать или расклепать, или в тисах раздавиить.

              =======
              Сообщение от rms Посмотреть сообщение
              Здравствуйте kvarcas! Чем вырезали элементы , реально ли ножницами по железу?
              Сообщение от oveco Посмотреть сообщение
              Я использовал технологию с частичным сверлением, тонкое зубило (из сверла) и напильник - остальное ножницы.
              Для удобства работы ножницами, разметку делайте с двух сторон метала.
              а ежели так: http://file.qip.ru/video/jQBw_YkT/Ho...ch-bridge.html
              Вложения
              Последний раз редактировалось Krazy_killer; 03.01.2013, 17:06.

              Комментарий


                #52
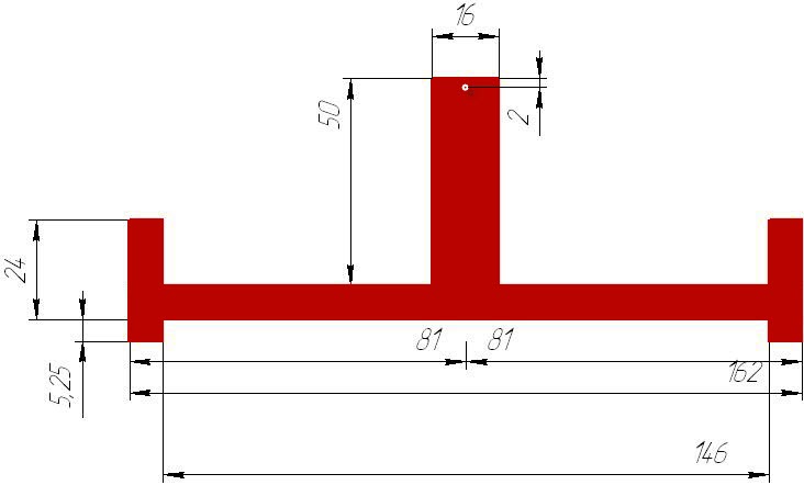
                ,,, Krazy_killer, таким образом, показать линию адаптивные антенны ...

                Комментарий


                  #53
                  Небольшие изменения в дизайне ...3G_broadband_ЗPanel_by_jomy_PRN2.pdf

                  Комментарий


                    #54
                    JOMY Правильно?
                    Нажмите на изображение для увеличения.

Название:	line.jpg
Просмотров:	1
Размер:	24.7 Кб
ID:	213956
                    Нажмите на изображение для увеличения.

Название:	LINE2.jpg
Просмотров:	1
Размер:	24.5 Кб
ID:	213957

                    Комментарий


                      #55
                      Сообщение от jomy Посмотреть сообщение
                      Небольшие изменения в дизайне ...[ATTACH]13245[/ATTACH]
                      JOMY Правильно?
                      Нажмите на изображение для увеличения.

Название:	line.jpg
Просмотров:	1
Размер:	24.7 Кб
ID:	213956
                      Нажмите на изображение для увеличения.

Название:	LINE2.jpg
Просмотров:	1
Размер:	24.5 Кб
ID:	213957

                      Комментарий


                        #56
                        RMS,
                        Да, это правильно ...!!!

                        Комментарий


                          #57
                          Сообщение от jomy Посмотреть сообщение
                          RMS,
                          Да, это правильно ...!!!
                          СПАСИБО

                          Комментарий


                            #58
                            Сообщение от jomy Посмотреть сообщение
                            ,,, Krazy_killer, таким образом, показать линию адаптивные антенны ...
                            JOMY 8mm OR 4mm?
                            Нажмите на изображение для увеличения.

Название:	EL.jpg
Просмотров:	1
Размер:	35.5 Кб
ID:	213961

                            Комментарий


                              #59
                              ,,, RMS, лучше 4мм...!

                              Комментарий


                                #60
                                Сообщение от jomy Посмотреть сообщение
                                ,,, RMS, лучше 4мм...!
                                Спасибо
                                another question
                                75 ohm cable will it work antenna?
                                с 75 ом кабелем будет работать данная антенна?

                                Комментарий

                                Обработка...
                                X