Объявление
Свернуть
Пока нет объявлений.
Облучатель для OFFSET ки 2,4ГГц
Свернуть
X
-
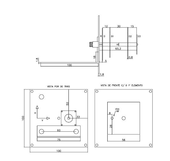
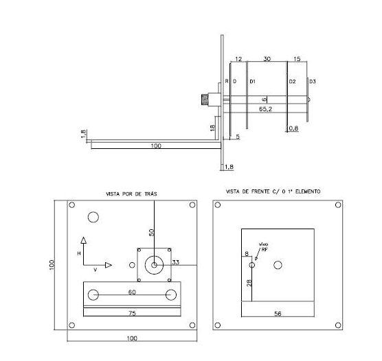
Размеры (толщина материала не критична 0,5-2 мм. центральный штырь 3 мм. сталь) :
1. Активный блин диаметр 68 мм. 11мм от экрана. Запитка 10 мм от края.
2. Первый директор диаметр 54 мм. Расстояние от активного 12 мм.
3. Второй директор диаметр 38 мм. Растояние от 1 директора 32мм.
4. Третий директор и последующие 37 мм. Расстояние между ними 28-32 мм. При 28 мм. шире полоса антенны. Начиная со второго директора можно ставить не блин,а диполь 2-5 мм. длинна не более 30 мм.
Догонял усиление такого волного канала до 20 дб. Но получается не практичная конструкция. Проблемы герметизации всего чуда. Вот фото разумного варианта.
Чем лучше облучатель такой конструкци:
1.Высокий К.П.Д. Проводящие поверхности большие по площади. Можно использовать любой материал. Пробовали медь, латунь, оцинкованное железо, на серийных стальные с покрытием олово-сурьма. На характеристики практически не влияет.
2. Отсуствуют элементы согласовки и симметрирования, на которых иногда бывают большие потери,требуют серьёзной измерительной аппаратуры. Антенна (облучатель) автоматом согласован с несимметричным кабелем.
3. Отсуствуют переходные кабельки в антенне, неправильная распайка (разделка) кототых может приводить к большим потерям и побочным излучениям.
4. "Играясь" усилением (наращивая количество дисков) можно качественно подогнать под любой тип зеркал.
5. Громадная широкополосность относительно других типов.
6. Как самостоятельная антенна, при малых габаритах имеет высокое усиление, практически неплохо работает без настройки, при выдерживании размеров. (Высокая повторяемость.) Но только при 3-5 элемнтной конструкции!!! Дальше сложнее, нужно подстраивать на панорамнике при сборке. Причина многих неудачь, повторения в домашних условиях волновых каналов.
Пробуйте, банки и зигзаг полетят сразу на помойку.
Серийный облучатель, немного отличается от фото выше. На основании добавлено кольцо, несколько ослабляет побочные лепестки и незначительно увеличивает К.У (0.5 дБ.) Сейчас нет фото под рукой. Через пару дней выложу.
Комментарий
-
-
Так елементы ж круглые всетаки,знач не Линейная,ты её хоть как крути..круг он и в африке круг..Сообщение от VBMПоследний раз редактировалось Панченко Игорь; 05.05.2011, 01:53.Long live rock and roll ...
Комментарий
-
Katts, Панченко Игорь
Просьба уточнить конструктив (перестала открываться):
1. Они короткозамкнутые? Т.е. облучатель не изолирован от основания/рефлектора? Предполагаю, что короткозамкнутые.
2. В каком соотношении можно принимать габариты основания и облучателя? В обоих конструкциях заметна существенная разница.
По:
Не понятен способ запитки. Похоже на свободный (незакороченный), регулируемый по высоте резонатор. Пожалуйста, как-нибуть уточните конструктив сего чуда - охота попробовать.
Заранее благодарствую :drinks:
Комментарий

Комментарий