Наверное можно реализовать.
Навеяло отсюда.
http://lan23.ru/wifi/2MPA/2mpa.html
http://www.qsl.net/v/va3iul//Antenna...ar_antenna.gif
Тоже самое без лишних "рюшечек". МИМО вариант.

Для симметрии, что бы увеличить развязку между портами.

И как просто и быстро изготовить.

Углы отсекаются ножницами, а отверстия сверяться.
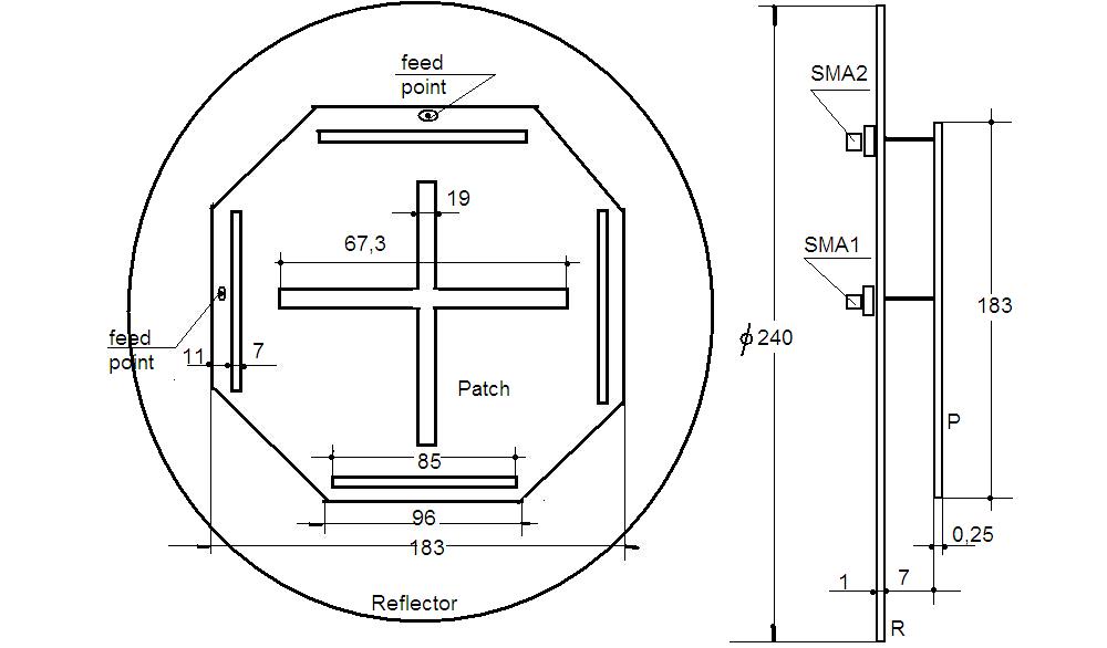
Навеяло отсюда.
http://lan23.ru/wifi/2MPA/2mpa.html
http://www.qsl.net/v/va3iul//Antenna...ar_antenna.gif
Тоже самое без лишних "рюшечек". МИМО вариант.

Для симметрии, что бы увеличить развязку между портами.

И как просто и быстро изготовить.

Углы отсекаются ножницами, а отверстия сверяться.



Комментарий