Объявление

Свернуть
Пока нет объявлений.

Wi-Fi (V)SWR Meter. КСВ-метр для 2,4 ГГц.

Свернуть
X
 
  • Фильтр
  • Время
  • Показать
Очистить всё
новые сообщения

    потенциометры и BNC соединение

    где я подключить BNC .. потенциометры подключены правильно?
    Вложения

    Комментарий


      1 R 250 kOhm
      2 ground

      Комментарий


        как я думала ... давайте попробуем ... спасибо

        Комментарий


          Калибровочный инструмент?

          Добрый вечер ...
          Это реализация моей КСВ-метр ...
          давая власть игла уходит в бесконечность и медленно выходит в 1
          Проблема в том, как я откалибровать прибор?
          Я использовал аналог 100uA.
          Когда вы подключите имитатор нагрузки 50 Ом 2,5 знаки вместо 1,01.

          эквивалент нагрузки был создан сварки двух резисторов 100 Ом до 0,1%
          Вложения
          Последний раз редактировалось MaNtIdE; 03.03.2013, 13:31.

          Комментарий


            решился что пора уже и мне напрячьсо и собрать такой прибор. тем патче что и на 433\144 мгц б он мне пригодился.

            начал продумывать конструкцию.

            в роли показометра пойдет ли магнитная головка от старинных кассетных патифонов (ака "уровень записи")?
            насколько критично 0805 юзать? (просто на руках есть набор 1206 , буду попробовать заказать 0805 канешн)
            все это дело лучше утрамбовывать в металлический корпус? посеребренный фторопластовый кабель планирую заюзать.(паять легко\крепкий\неподведет)
            непонял еще про "Инфо: для VHF/UHF нагрузка должна быть соответственной!" чет не совсем понял...
            для калибровки надо точку 0,5Вт ёмае эт че рокет на 2,4 гдето надо отискать чтоль? или тр-линк засералка эфира подойдет?
            потом для измерений тоже онли 200мВт нужно? или 100 проканает.?
            спасибо что выслушали!
            заранее благодарен за разъяснения!

            -------------------
            осилил прочитать всю тему. моск кипит. буду пока искать диод и попутно заниматься перевариванием.
            на ebay продают изм головы. ценник айайай.
            еще решил пошукать эталонные нагрузки в радиоцехах, на телейкайх и трц
            Последний раз редактировалось Krazy_killer; 11.03.2013, 17:09.

            Комментарий


              MaNtIdE, нужно провести баллансировку моста конструктивными ёмкостями. И ещё, надеюсь, резисторы Вы взяли с точностью 1%.

              Комментарий


                http://yadi.sk/d/NHKQREYA3DqwV
                http://yadi.sk/d/xCxNTMU43Dqwf
                http://yadi.sk/d/Et_88IFv3Dqwn
                http://yadi.sk/d/yeVAaRAN3Dqwz
                http://yadi.sk/d/z86iPpeb3DqxN
                http://yadi.sk/d/3kb8WT663Dqx7

                с этого мне ченить может пригодитццо?

                Комментарий


                  http://www.ebay.com/itm/K-Band-24GHz...item3f12c7adf9 dj во какой шедевр нарыл

                  подскажите нашел ли кто нибудь откудо еще выдрать можно диод? ноутбуки\материнки\телефоны\свистрики вайфляй \ и тп оборуд..?

                  Комментарий


                    подскажите можно ли отсюдова чтото заюзать (диод шоттки)
                    наскока плохо будет если использовать 1206 детали ?
                    можно ли паять диод шоттки феном?
                    http://file.qip.ru/photo/0kKbWPwA/IMG_1611.html ( 1,47 )
                    http://file.qip.ru/photo/HsZb9Lny/IMG_1612.html ( 1,54 )
                    http://file.qip.ru/photo/LSRrBq-Z/IMG_1607_1.html ( 1,19 )
                    http://file.qip.ru/photo/L94_tOA3/IMG_1608_1.html ( 1,38 )
                    http://file.qip.ru/photo/XtYTN4T0/IMG_1610.html ( 1,49 )


                    http://file.qip.ru/photo/QYwmLkZc/IMG_1615.html ( 1,25 )

                    http://file.qip.ru/photo/aRgnEfbH/IMG_1616.html ( 1,31 )


                    полагаю нужный мне диод справа от микрополосковой конструкции?
                    промаркирован он E1 037 ()
                    хотя с лева с такойже маркировкой
                    у д2пака V75 () 4ХПОЛЮСНИКИ.
                    подскажите пожалуйста кто из них тот самый

                    разобрал доконца - поднял плату . там еще 2 мелочевки с мар-й T79

                    у ф разьема E2-* (6ног)
                    чуть дальше C3K (6ног)
                    потом енти У1 037 пониже в сот23 W06

                    вот еще че есть
                    http://file.qip.ru/photo/SMMtB3ma/IMG_0178.html
                    Последний раз редактировалось Krazy_killer; 13.04.2013, 17:33.

                    Комментарий


                      собираюсь делать заказ в elekont.ru
                      но чтото толи весенний отупизм меня пробрал толи ...
                      мучают меня несколько вопросов. буду рад и признателен если кто вразумит:

                      * какого типа потенциометры лучше взять (что линейные это понятно. проволока керамика пластик) (может маркировку кто подскажет)
                      *типоразмер деталей SMD 0603 или всеже 0805 ?
                      * милиамперметр на какой ток ? 100мА 300мА или 500мА (или 1мА)


                      ============
                      КИ(КИГ) 3.0-100 МКГН
                      шт. 53.81 269.04
                      2 HSMS-2825-BLKG
                      шт. 19.32 57.95
                      3 МИЛИАМПЕРМЕТР 100МА (72Х72)
                      шт. 128.86 128.86
                      4 МИЛИАМПЕРМЕТР 300МА (72Х72)
                      шт. 128.86 128.86
                      5 0603 1% 100K
                      шт. 196.33 3 926.57
                      6 3006P-50К

                      Комментарий


                        Измерительная головка должна быть на микроамперы. Если прибор делать с усилителем, то 500/1000 мкА. Если без усилителя, то 50/100 мкА. Точность чип-резисторов 0.5/1 % нужна только для резисторов измерительного моста.

                        Комментарий


                          получается на 1мА ????
                          http://www.elekont.ru/catalog//milia...1ma-40x40.html

                          Комментарий


                            Вариант ксв-метра

                            Вот еще один вариант ксв метра-автоматического.
                            Дифференциальные усилители в цепи регулировки
                            Первая часть цепи регулировки состоит из дифференциальногоусилителя А4 и источника опорного напряжения R7…R9 и D1. Превысит напряжение наинвертирующем входе значение этого опорного напряжения, выходной уровень усилителя понижается. На А1 собран генератор пилообразного напряжения, который,со своей стороны, управляет компаратором. Выход компаратора имеет высокий уровень, когда напряжение "пилы" перешагнёт значение напряжения на инвертирующем входе (вывод 2). Так получается сигнал прямоугольной формы с управляемым напряжением соотношением включено-выключено (скважностью), которое используется для управления переключателями в делителях напряжения. При повышении входного напряжения Uпр,дифференциальный усилитель тотчас же понижает переключательный порог компаратора. Для переключателей формируются положительные управляющие импульсы большей ширины, и они дольше остаются закрытыми. При этом, уменьшается напряжение Uпр довеличины, когда в схеме наступает равновесие, т. е., до величины опорного напряжения равного 140 мВ.
                            Чтобы, несмотря на, к сожалению, высокое сопротивление переключателей на полевых транзисторах, обеспечить достаточный диапазон регулировки, делители напряжения выполнены высокоомными.
                            Перед изготовлением платы сверьте монтаж со схемой, помните о двухполярном питании.
                            По этой причине измеритель может быть подключен к схеме только через усилитель А3, служащий преобразователем импеданса и усилителем. С помощью переменного резистора Р1 коэффициент усиления усилителя может устанавливаться в пределах от 1 до 10. Резисторы R5 и R10 компенсируют ток рассогласования усилителей А3 и А4, который иначе может вызвать значительные ошибки при измерениях. С6 и С7 устраняют паразитные выбросы на импульсах и перезаряжаются от напряжения питания.
                            Без проблем - в постройке, без проблем - в настройке
                            Монтаж измерителя КСВ может быть выполнен, согласно Рис. 4,как на "нулёвке" (готовой плате с отверстиями) так и на печатной плате, соединительные дорожки которой выполнены методом травления. При набивке платы деталями по Рис. 5, следует иметь в виду, что полевые транзисторы и микросхема припаяны к фольге сверху. Для полевых транзисторов типа BF900 на Рис.3 приведено расположение выводов.
                            Для настройки предварительно входы Uпр и Uобр соединяются с положительным полюсом источника питания. С помощью потенциометра Р1 устанавливаем стрелку измерителя КСВ на конечную отметку шкалы - вот и вся настройка. Градуировка шкалы в единицах КСВ ничем не отличается от таковой в обычных КСВ-метрах.

                            Правильность функционирования автоматической индикации КСВ проверяют, присоединив входы КСВ-метра к проверочной схеме Рис. 6. С помощью этой схемы симулируется КСВ = 3, при этом как "прямое" так и"обратное" напряжения могут изменяться в соответствующем соотношениив широких пределах. Вне зависимости от положения потенциометра стрелка измерителя должна находиться в среднем положении. Небольшие подстройки +/- 5%,всё-таки, допустимы (могут потребоваться или следует иметь в виду погрешность прибора в диапазоне входных уровней ).Если испытания прошли успешно, то соответствующие входы подключаются к выходам соответствующих направленных ответвителей. Для обеспечения правильной работы КСВ-метра, на него нужно подать напряжение прямой волны, по крайней мере, 200мВ. Максимальное напряжение, подаваемое на измеритель КСВ не должно превышать15 В, чтобы не повредить транзисторы. Опытный образец прибора работал именно в этом диапазоне с симуляцией различных значений КСВ и показал точность не хуже+/- 1, 5%. Такой точности вполне достаточно, простые направленные ответвители,применяемые в радиолюбительской практике, обеспечивают куда меньшую точность.

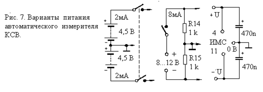
                            Если устройство должно быть портативным, необходимосмонтировать КСВ-метр вместе с направленным ответвителем в едином корпусе и снабдить его источником питания (две плоских батарейки напряжением по 4,5 В.).Батарейное питание прибора оказывается возможным по причине малого потребляемого им тока, всего 2 х 2 мА. Поскольку имелся только простой источникпитания с напряжением 9…12 В, можно ввести его симметрирование с помощью резисторов R14 и R15 (Рис. 7). Потребляемыйток возрастёт тогда до 8 мА. Следует быть внимательным, - общий провод и отрицательный полюс источника питания - не одно и то же.
                            Вложения

                            Комментарий


                              И измерителя КБВ (коэффициента бегущей волны)

                              Измерителя КБВ (коэффициента бегущей волны)
                              Вложения

                              Комментарий


                                Вариант вч-части
                                Вложения

                                Комментарий

                                Обработка...
                                X