Ни к чему такие сложности с программатором , тут всё проще http://rayer.g6.cz/programm/programe.htm
Объявление
Свернуть
Пока нет объявлений.
Восстановление TP-Link WR741ND.
Свернуть
X
-
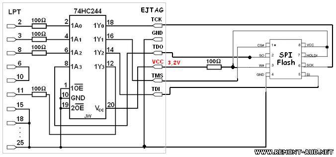
Не за что. Еще раз повторю, схема упрощается для прошивки только SPI, поэтому нет нужды собирать всю (хотя это и не помешало бы для разных типов микросхем), микросхема и детали помещаются в разъем LPT и вперед!Сообщение от alekssneik Посмотреть сообщениеБлагодарствую! если что не так спрошу у вас
Комментарий
-
СПС но что то не очень я "шпрехаю" по ихнему. Мне простое и быстое решение нужно.Сообщение от jass66 Посмотреть сообщениеНи к чему такие сложности с программатором , тут всё проще http://rayer.g6.cz/programm/programe.htm
Нашол тока такую микруху 155АП5 она подойдёт?
туплю пошол и скать и сравнивать даташит:sorry:
блин ну никак не найду 1564ап5 которая полный аналогПоследний раз редактировалось alekssneik; 03.03.2013, 04:23.
Комментарий
-
старая материнка с сокет7 или 370 там рядом с иса и лпт стоят шинные формирователи. как таз те что надо.
полное описалово с пояснениями и модификациями у меня на форуме: http://mod-book.ru/forum/showthread....82%D0%BE%D1%80
если флеш не определилась то можно включить симуляцию определения.
Комментарий
-
блин не определяется флеш
на ЛПТ порте в биосе нет режима SPP
Такое вот выдаёт
SPIPGMW.EXE /i
Status = ffh (SRP, RES, TB , BP2, BP1, BP0, WEL, BSY)
1 1 1 1 1 1 1 1Последний раз редактировалось alekssneik; 13.03.2013, 10:16.
Комментарий
-
Мы сразу нашли эту статью, не помогает выставляли в любой какой есть.ТУПИК.(((Сообщение от Влад_Полтава Посмотреть сообщение
Комментарий
-
Мучаемся совместно с alekssneik . Вот в данный момент собираю комп под 98 виндой, что получится отпишусь...
Комментарий
-
собрал, запустил- результат как и на ХР:Сообщение от alexeyKL Посмотреть сообщениеМучаемся совместно с alekssneik . Вот в данный момент собираю комп под 98 виндой, что получится отпишусь...
SPI FlashROM Programmer 1.9c (C) 2008-2011 by Martin Rehak; rayer@seznam.cz
Compiled by GCC 4.5.2 at 23:20:30, Mar 22 2011
(DOS/Win9x compatability)
SPI connected to LPT port at I/O base address: 378h, SCK pulse width: t+0us
FlashROM JEDEC ID, type: FFFFFFh - parity error!
Unknown manufacturer
Status = FFh (SRP, RES, TB , BP2, BP1, BP0, WEL, BSY)
1 1 1 1 1 1 1 1
Status register is protected, you will need to set WP# high
Люди помогите пожалуйста, вообще не кому подсказать. Jeff16 на первой странице темы писал про этот же косяк, как победил нет. И на форум с 8 марта не заходит.
http://dsl2500ubrud.narod.ru/ проштудирован.
Есть один косяк в биос (на обоих компах) SPP не выставляется, но автор писал, что и на ECP шили. Перепробывал все возможные варианты- и в биос и в диспетчере, всё на смарку. Даже обе схемы испытал:
http://www.lan23.ru/forum/attachment...1&d=1322495000
(питание по данной схеме беру с родного роутера.)
http://www.lan23.ru/forum/attachment...0&d=1322651811
Комментарий
-
Так что, второй комп тоже без встроенного в материнку LPT? Где Вы их только берете?Сообщение от alexeyKL Посмотреть сообщениеЕсть один косяк в биос (на обоих компах) SPP не выставляется
Честно говоря, даже представить себе не мог, что могут возникнуть такие проблемы.
Может фото всего Вами сделанного помогут их решить?
Оно то так, но вряд ли ошибки в двух схемах сразу, тем более, что, скорее всего, их собирали не один раз...Сообщение от Влад_Полтава Посмотреть сообщениеВо! Целый лог ошибки!
Комментарий


Комментарий