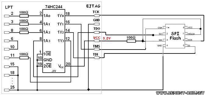
Короче присоединил я програматор, запустил програмку и вот что выдает
D:\SPIPGM>spipgm /i
SPI FlashROM Programmer 1.9c (C) 2008-2011 by Martin Rehak; rayer@seznam.cz
Compiled by GCC 4.5.2 at 23:20:30, Mar 22 2011
(DOS/Win9x compatability)
SPI connected to LPT port at I/O base address: 378h, SCK pulse width: t+0us
FlashROM JEDEC ID, type: FFFFFFh - parity error!
Unknown manufacturer
Status = FFh (SRP, RES, TB , BP2, BP1, BP0, WEL, BSY)
1 1 1 1 1 1 1 1
Status register is protected, you will need to set WP# high
Это что значит что флешка не опознана?
D:\SPIPGM>spipgm /i
SPI FlashROM Programmer 1.9c (C) 2008-2011 by Martin Rehak; rayer@seznam.cz
Compiled by GCC 4.5.2 at 23:20:30, Mar 22 2011
(DOS/Win9x compatability)
SPI connected to LPT port at I/O base address: 378h, SCK pulse width: t+0us
FlashROM JEDEC ID, type: FFFFFFh - parity error!
Unknown manufacturer
Status = FFh (SRP, RES, TB , BP2, BP1, BP0, WEL, BSY)
1 1 1 1 1 1 1 1
Status register is protected, you will need to set WP# high
Это что значит что флешка не опознана?

Комментарий