Сообщение от RINDIG
Посмотреть сообщение
Объявление
Свернуть
Пока нет объявлений.
Патч антенна ( Patch ANT v.2 ) с бывшего 2400МГц.net
Свернуть
X
-
Скорей не с патчами везёт, а с ровными руками!Сообщение от igorit Посмотреть сообщениеВидно везет мне с этими патчами
Вопросы технического характера в личку не задавайте! Всё-равно отправлю на форум!
Олег
Комментарий
-
спасибо за проделаные труды, собрал сегодня данный патч, сначала думал что неполучился, но когда просканировал частоты, приятно улыбнул, показатели примерно такие же как у панели 15 в3 точка лежала дома, протести антену в коробке напрямую и с кабелем рк-50 -2 м, результаты ,на чем было(тп-линк 5110Г), лижбы разницу увидеть!
скрины, панель 15 в 3 с 2-х метровым кабелем, потом снова панель 15 в3 в коробке с абс пластика и третье данный патч в2 в коробкеПоследний раз редактировалось 3AKAT; 27.04.2011, 00:41.
Комментарий
-
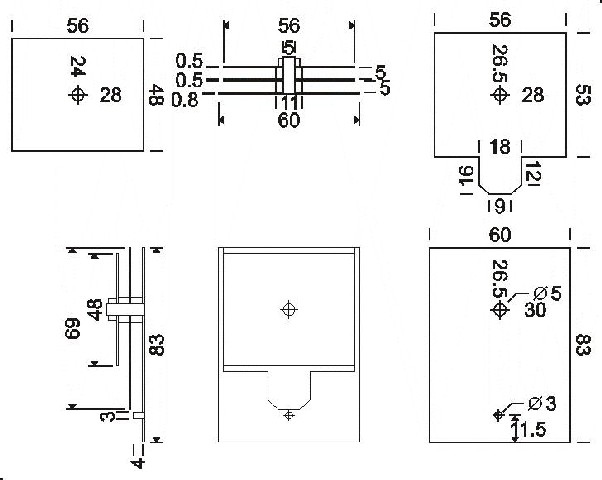
Тоже заинтересовала данная антенна.Сообщение от mcWit Посмотреть сообщениеПрямоугольники 56х53 и 56х48
Снизу экран 60х83
Нашёл подробности с размером штырька для запайки экрана кабеля.
http://www.zero13wireless.net/foro/s...PA-By-OvisLink
Размер от края дан похоже с ошибкой, надо не 1,5мм, а 15мм.
Комментарий
-
Добрый вечер, TUL. Усиление у этой антенны 8.6 дБi ( 6.45 дБ ), из-за малого размера рефлектора. Хороший Ксв она покажет только при наличии пластикового короба-радома с эпсилон около 2.6 и толщиной стенок 2 мм. Верхний зазор до крышки радома ограничен гайкой( впритык к гайке). Без короба Ксв больше 2, с коробом около 1.1.
Комментарий

Комментарий