я на днях разобрал NS2 .изучая радио блок увидел такую схему как у 2100АР
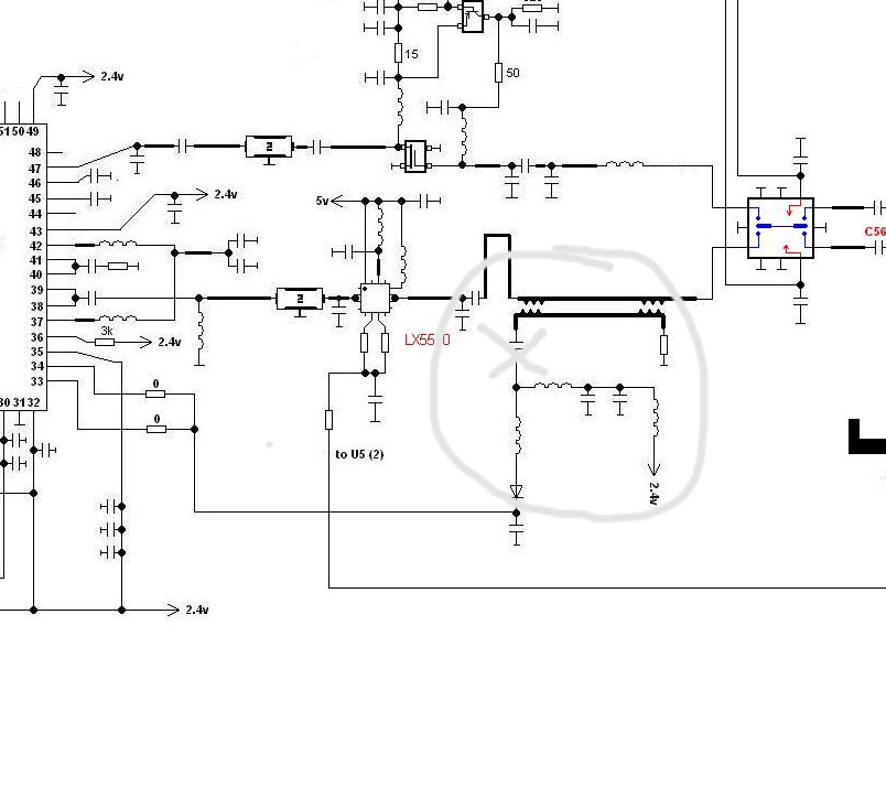
http://www.lan23.ru/forum/attachment...0&d=1247675955 интересно поднимется ли мощность. если сделать как у 2100
http://www.lan23.ru/forum/attachment...0&d=1247675955 интересно поднимется ли мощность. если сделать как у 2100

Комментарий