Объявление

Свернуть
Пока нет объявлений.

SENAO - секторка

Свернуть
Эта тема закрыта.
X
X
 
  • Фильтр
  • Время
  • Показать
Очистить всё
новые сообщения

    SENAO - секторка

    Вот антенна Senao ... До какой категории ее отнести не знаю..
    Двойной патч или секторка.... Попробую в работе.
    Вложения

    #2
    Патч?...
    а размеры снять?.. без размеров то какой смысл выкладывать то?
    а характеристики?
    Дима
    вторая колонка в ulmart.ru Промо-код: 1507239

    Комментарий


      #3
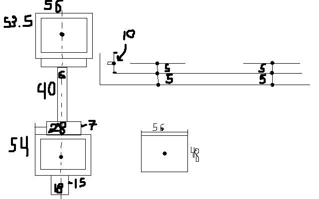
      размеры в студию :search:

      Комментарий


        #4
        вот
        не только мне интересно
        Дима
        вторая колонка в ulmart.ru Промо-код: 1507239

        Комментарий


          #5
          Аналогичная, 1 в 1 антенна уже описывалась на форуме, есть там и размеры... http://www.lan23.ru/forum/showthread...ultico+apv-012
          Я такую делал, работает не плохо, но на секторку не тянет - узковата диаграмма! Реальное усиление - около 13дБи. По указанным размерам, КСВ получилось чуть ниже середины диапазона.
          Вложения
          Последний раз редактировалось kuslik; 14.06.2010, 13:45. Причина: ссылку поправил
          Вопросы технического характера в личку не задавайте! Всё-равно отправлю на форум!
          Олег

          Комментарий

          Обработка...
          X