Объявление

Свернуть
Пока нет объявлений.

MikroTik QRT 5

Свернуть
X
 
  • Фильтр
  • Время
  • Показать
Очистить всё
новые сообщения

    MikroTik QRT 5


    что вы, ребята, думаете об этой конструкции ... похоже на диполи, но с квадратами паразитные пятна

    THANK YOU to MATEUSZ & KONRAD ...from https://fmdx.pl/mikrotik-qrt-5/
    Вложения

    #2
    Нечто подобное, DIPOLE ARRAY ... (SAT TV)
    https://www.youtube.com/watch?v=RMUVn9mxAZw
    Вложения

    Комментарий


      #3
      Это не диполи, а квадратные патчи. Способ подачи возбуждения - "proximity coupled".
      Для получения MIMO 2x2, каждый патч возбуждается парой зондов, они сходятся собирающими линиями на 2 порта антенны, один в центре, другой у ребра

      Комментарий


        #4

        ЧЕРТ ПРАВО ... они слишком странной формы и маленькие ... чтобы быть диполями ... это как щелевое питание, но полосы ...?


        никогда не поймите, зачем они используют квадратные режущие пластины ... я все время ошибался!
        Вложения

        Комментарий


          #5
          Антенна Starlink имеет прорези в круглом патче и смещенную подачу питания. Это чтобы получить вращающуюся поляризцию (circular polarization) - RHCP или LHCP.
          Для работы с MIMO 2x2 Starlink использует RHCP + LHCP. Один возбуждающий зонд смещён в такую область круглого патча, которая формирует RH, а другой формирует LH

          Комментарий


            #6
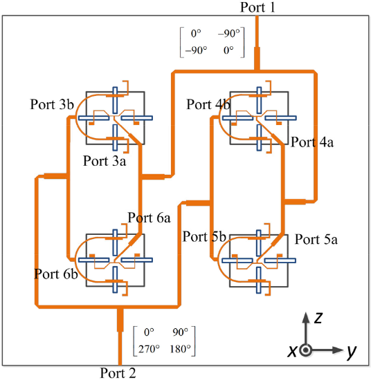
            я нашел ОРИГИНАЛЬНУЮ статью из чего была создана эта антенна
            Нажмите на изображение для увеличения.

Название:	2-Figure2-1.png
Просмотров:	453
Размер:	53.9 Кб
ID:	325501
            Вложения

            Комментарий

            Обработка...
            X