Найдено здесь, может кому-то интересно. ОТХ присутствуют в первоисточнике.
Объявление
Свернуть
Пока нет объявлений.
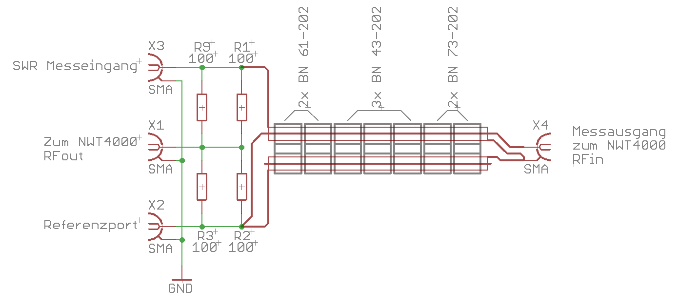
Измерительный мост (SWR-Messbrücke für S11-Messungen 4GGz)
Свернуть
X
-
В таком исполнении он будет хуже китайского работать. Т.е. не потянет даже 2,5 гига.Сообщение от VBM Посмотреть сообщениеНайдено здесь, может кому-то интересно. ОТХ присутствуют в первоисточнике.
Вопросы технического характера в личку не задавайте! Всё-равно отправлю на форум!
Олег
Комментарий
-
Привет Липтон, а можно попроще, что не так с китайцем?Сообщение от lipton Посмотреть сообщениеВ таком исполнении он будет хуже китайского работать. Т.е. не потянет даже 2,5 гига.
Красиво вроде сделано!
Ну и цена 5 баксов. Доработки возможны?
Или ты про первый пост?
Комментарий
-
Если китайца в корпус из металла заковать? Диапазон расшириться?Сообщение от lipton Посмотреть сообщениеПро первый естественно!
Комментарий
-
Нет. это всё уже обсосано на УКВистах и других форумах...Сообщение от Aleks07111971 Посмотреть сообщение
Если китайца в корпус из металла заковать? Диапазон расшириться?
Я хотел нечто подобное изобразить для Аринтса до 6ти гигов, но потом забил... получается сейчас актуально пока только направленный ответвитель. У меня два прибора до 6 гиг, потому я и похерил это занятие.Вопросы технического характера в личку не задавайте! Всё-равно отправлю на форум!
Олег
Комментарий

Комментарий