Объявление
Свернуть
Пока нет объявлений.
PoE (очередной вариант)
Свернуть
X
-
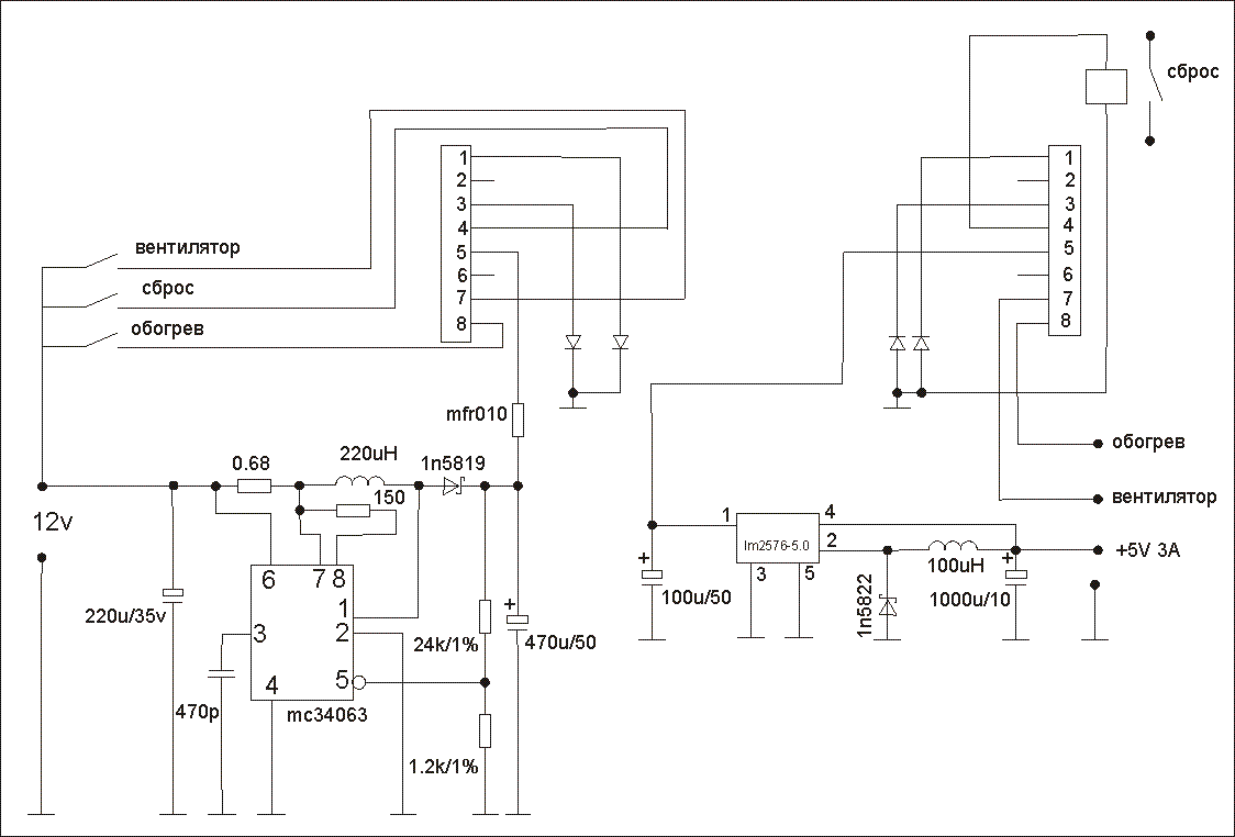
Ну так тут как раз и вводятся 24В в свободные пары. Т.е. это "домашний" "конец" POE.Сообщение от mcWit Посмотреть сообщениеТупое решение. Микросхема 34063 должна стоять возле девайса, а 24 вольта должны идти по свободным парам. А не наоборот.Gray©at
Комментарий
-
Видимо, то же самое, только с иным включением катушки и диода :to_becom:Сообщение от mcWit Посмотреть сообщениеНе внимательно посмотрел, что 34063 работает на повышение. Интересно тогда взглянуть на схему второго "конца".Gray©at
Комментарий
-
Рарешите не согласиться.Сообщение от Andree Посмотреть сообщениеБесполезная весч,можно и готовым БП загнать в витуху 25-35В, без дополнительного преобразования.
Устройство - промышленное. Купившему не нужно будет искать БП именно на 24В, а подойдет любое в диапазоне 9-24В. Обратите также внимание, что на разъем можно подавать также переменку.
Комментарий
-
Перерисовал схемку для себя, в качестве обогревателя думаю ставить резистор 33 ома (при кабеле в 100 метров на токе 300мА падение 3 вольта) это вата 3 тепла.
Хотя промышленные боксы продают с обогревателем минимум 10 Ватт, у меня точка перезимовала на чердаке и все ещё работает, поделитесь опытом установки точки доступа на открытом воздухе, сколь надо ватт на обогрев и как подать питание на обогревПоследний раз редактировалось Deniska_M; 11.06.2009, 17:37.
Комментарий

Комментарий