Где размеры глянуть?
Объявление
Свернуть
Пока нет объявлений.
MultiCo APV-012 в разборе
Свернуть
X
-
GrayCat. Нужны размеры под 75ом кабель, и соглосование простое а не такая "книга геометрии" как в ANT24-1200. Ты говорил в одной плоскости - секторная диаграма 90гр. Я думал там как у обычного патча : в одной плоскости 60-70гр а в другой плоскости если их (патчей) два то поменьше - 35-45гр.
Комментарий
-
MultiCo APV-012 в разборе
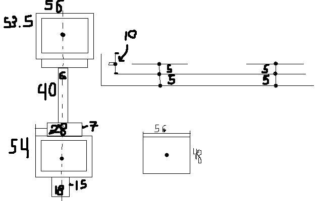
решил я разобрать эту антенку и посмотреть что внутри... 2 патча! производитель заявляет 12db, я накидал размеры - может будет желание у кого-нибудь смоделировать ее и поделиться впечатлениями...
материал - латунь толщиной 0,5 мм
корыто глубиной 8 мм 200х87
http://www.lan23.ru/forum/showthread.php?t=5024
вот ещё такая же
Комментарий
-
кстати производитель заявляет что диаграмма в вертикали 28гр в горизонтале 65.
и еще она короткозамкнутая.
правда когда я ее зазобрал, то ужаснулся - расстояния в 5 мм соблюдались только в точках крепления патчей за счет шайбочек высотой по 5 мм а края этих пластин были перекошены (одни выше а другие ниже)
Комментарий

Комментарий