Друзья, кто силен (или кто раньше использовал) в P-CAD 2006
нужно схемку и печатку
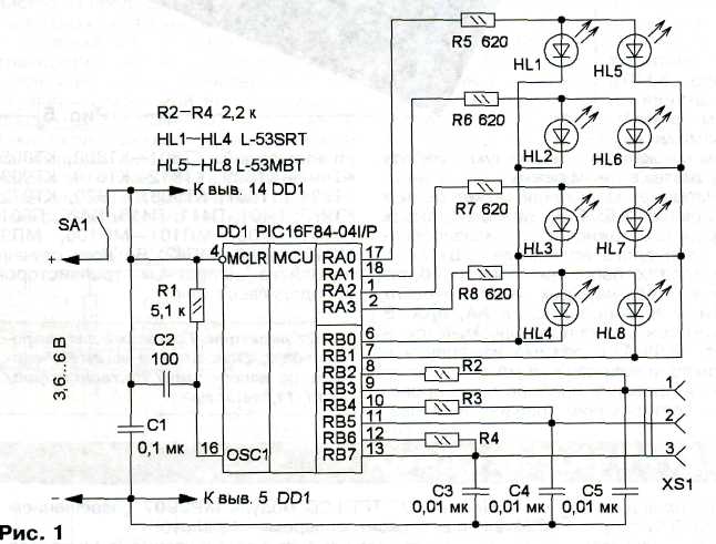
вместо разъемов можно использовать только контактные площадки на ПП
мне чесслово так напрягает изучать это с нуля
если кто-то готов по быстрому сделать - пожалуйста, все промежуточные файлы и результат в арзив и в эту тему
спасибо
					нужно схемку и печатку
вместо разъемов можно использовать только контактные площадки на ПП
мне чесслово так напрягает изучать это с нуля
если кто-то готов по быстрому сделать - пожалуйста, все промежуточные файлы и результат в арзив и в эту тему
спасибо

 
					
Комментарий