WarDriving , Wi-Fi HowTo Wi-Fi сети Краснодара Wi-Fi сети Краснодара
обновлено: 20.05.07 Форумы : Wi-Fi | WarDriving | GPS


GPS Trimble OEM приемник. Чипсет EPSON S1K50023F00C2. Подключение. Часть 2.

GPS Trimble OEM EPSON S1K50023F00C2 GPS Trimble OEM EPSON S1K50023F00C2    Попался новый пациент (GPS приемник)... от Trimble. В народе HIP модуль. Чипсет - EPSON S1K50023F00C2.
   Используется в специализированных устройствах автомобилей и подключается через соответствующий шлейфовый разъем к автомобильному коммуникационному компьютеру.


GPS Trimble OEM EPSON S1K50023F00C2 GPS Trimble OEM EPSON S1K50023F00C2    Исследуя в поисках на Trimble примерно такого же девайса, обнаружились вот такие OEM модули Trimble Lassen SQ (Datasheet) : Миниатюрное, сверхнизкопотребляющее GPS решение для мобильных устройств. Особенности: 100 мВт при 3.3В ; 26 мм x 26 мм x 6 мм ; Flash память ; Дополняется малогабаритной антенной: 20.1 мм x 20 мм x 8 мм ; Имеет систему защиты от короткого замыкания / обрыва в антенной линии.


GPS Trimble OEM EPSON S1K50023F00C2 GPS Trimble OEM EPSON S1K50023F00C2    Что бы разобраться с подключением этого GPS приемника к компьютеру, пришлось обратиться в службу поддержки продуктов Trimble в России Филиал "Навгеоком - Кубань". Через некоторое время мне был передан вот такой образец полу-дохлого GPS приемника на аналогичном чипе. Огромное спасибо Алексею Адамовичу (Alexey Adamovich) за присланный экземпляр.


GPS Trimble OEM EPSON S1K50023F00C2 GPS Trimble OEM EPSON S1K50023F00C2 GPS Trimble OEM EPSON S1K50023F00C2 GPS Trimble OEM EPSON S1K50023F00C2


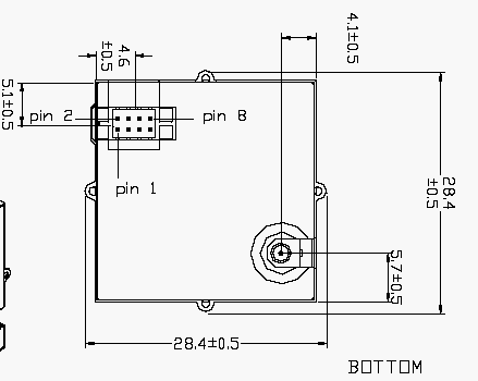
   Немного характеристик OEM GPS приемника - фото выше (клик на фото для увеличения). Распиновка стандартного OEM модуля, параметры питания в.т.ч. буферный источник, кое-что о софте и протоколах, габаритные размеры...


GPS Trimble OEM EPSON S1K50023F00C2    Для исследования предоставленного образца пришлось сделать экспресс разъем. Используем "родной" софт sq_toolkit.rar (750Kb), он примерно такой же как и для подключения GPS Trimble OEM SC414377APV. Вот еще несколько программ для этого GPS приемника : SQ_Monitor v1.02.exe (SQ_Monitor.exe - 518 KB) ; TSIPchat v1.02.exe (tsipchat_1-02.exe - 285 KB) ; TSIP Chat v1.04.exe (right104tsipchat.zip - 128 KB).


   Продолжение следует...



  RW6AVK, Krasnodar. 2007

© Копирование на другие сайты с разрешения автора. При цитировании ссылка на страницу обязательна.