WarDriving , Wi-Fi HowTo Wi-Fi сети Краснодара Wi-Fi сети Краснодара
обновлено: 12.12.13 Форумы : Wi-Fi | Вардрайвинг | Other


Панель LTE MIMO


panel MIMO LTEДобрый день!

Приобрёл модем Yota и решил сделать простенькую антенну. Чего только не нашел в интернете но все не то что хотелось, и увидел интересный сайт и форум. Зарегистрировался и сделал довольно простую антенну. Результат понравился.

BDM-1 Авторство этой антенны принадлежит фирме «Бестер». Она предназначена для тарелки и должна быть одна (облучатель для оффсета), у меня их две, чтобы получить MIMO результат был бы еще лучше, но мне не очень хотелось мучиться с тарелкой. Я решил сделать другую антенну.


panel MIMO LTE Панель LTE MIMO “Jomy”

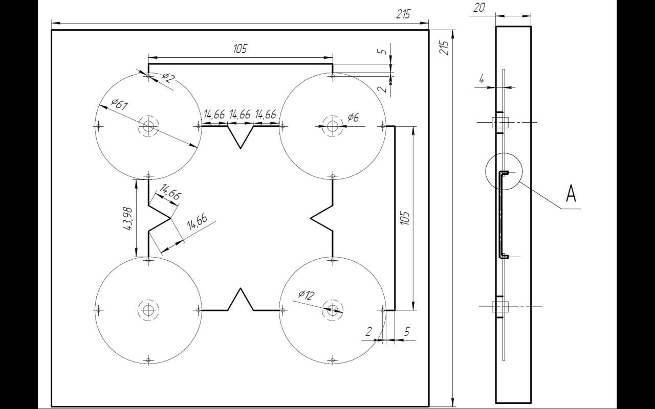
«Jomy» генератор идей, выкладывает модели антенн одну за другой плюс графики. Нарисовал и выложил на форуме, Размеры котрых не хватает Вы найдете в соответствующей теме форума.


panel MIMO LTE


Так я начал строить другую модель.

Вырезал из оцинковки по размерам заготовки.
Потом их сварил и получил вот такую коробочку
Но так лучше не делать, это слишком трудоемко, у меня оцинковка была 2 мм, берите тоньше и гните, будет гораздо красивее.
Для изготовления патчей применил медный лист толщиной 0,5 мм. Пришлось его отрихтовать.
Всегда спрашивайте на форуме, там есть спецы, они не один пуд соли съели и знают, как правильно сделать и настроить антенну.


panel MIMO LTE panel MIMO LTE panel MIMO LTE


panel MIMO LTE panel MIMO LTE panel MIMO LTE


Продолжил шлифовать патчи. Может это не так важно, просто я где-то читал, что СВЧ частоты не так глубоко проникают, по этому поверхность должна быть полированной. На форуме это то же потвердели.
Вот что получилось.
Я думаю, что так не обязательно делать. Просто нулевкой и все. А если хотите чтобы блестело, то дерзайте. Когда делаете антенну, соблюдайте все размеры и материал, из которых она изготовлена. Изготавливайте шаблоны и приспособления, по которым можно будет изготовить элементы антенны с точностью до 0.1 мм.
Прислушиваться мнений нужно и продолжать творить, творить и еще раз творить.


panel MIMO LTE panel MIMO LTE panel MIMO LTE


Искать людей, у которых есть приборы и навык в настройке антенн.
Придет дядя Ваня грузчик и настроит Вам пианино что будет?
Работать антенна будет, но как?
Пианино то же зазвучит, но как?
Продолжаем собирать антенну. Из медного провода 2,1 мм выгнул линии согласования. Правда «jomy» указал 2 мм.
Токарь выточил из фторопласта вот такие дистаторы (выдерживают точное расстояние между рефлектором и патчем).
Которые в последствии заменил вот такими болтами и гайками. Мне показалось, что так будет практичнее. Патчи тонкие 0,5 медь, как прессовать не знаю. Может у Вас это получится?


panel MIMO LTE panel MIMO LTE panel MIMO LTE


На рефлектор припаял разъёмы SMA, и патчи.
Начал паять. Первый блин всегда комом. Я раньше не паял таких вещей. Запаять микросхему для меня проще.
Навык приходит с пайкой таких вещей.
И вот что получилось...
Крепления для установки на трубу не делал, стоит просто на подоконнике.


panel MIMO LTE panel MIMO LTE panel MIMO LTE


panel MIMO LTE Эта антенна отличается от первой по усилению сигнала, может чуть больше 1 – 2 dBm. За то на передачу скорость выросла примерно в 1,5 раза. Усиление антенны получилось примерно 7- 8 dBm (это на глазок без приборов). По расчётам должно быть гораздо лучше 15.73 dBi. Уровень сигнала был без антенны «Панель LTE MIMO “Jomy”» (я думаю, что автор на меня не обидится), было примерно 101 dBm. Усиление внутренней антенны примерно 2 dBm.


panel MIMO LTE Модем у меня переделанный внутренняя антенна исключена.
Если найти приборы и людей, которые знают и понимают, как настраивать антенны. То будет гораздо лучше. Ну и соответственно укажут на ошибки, которые я совершил при постройке антенны. Так что, господа, творите, изобретайте и делитесь приобретенными знаниями с другими. Иначе останутся после нас одни бабуины, и Дарвин будет еще раз прав.
На днях один знакомый принес кабель-канал. Думаю, что нужно пробовать еще одну антенну, шестиэтажный сектор MIMO но только для Yota.

Но это уже другая история...

P.S. Огромное спасибо Олегу за консультацию, Jomy за его оперативность и создание этой прекрасной антенны, и всем кто не остался равнодушен.



  Алексей Буторин , editor VladMay, Krasnodar. 2013.

© Копирование на другие сайты с разрешения автора. При цитировании ссылка на страницу обязательна.