WarDriving , Wi-Fi HowTo Wi-Fi сети Краснодара Wi-Fi сети Краснодара
обновлено: 28.05.07 Форумы : Wi-Fi | Вардрайвинг | GPS


Прошивка Conceptronc в DWL-G700AP.


   Тема форума DWL-G700AP - просто обобщение темы. Первоисточник Rtl8186 Firmware - долго читается...


   N.leiten,dgreen,adron2,conceptronc,conceptronc out-door,APlitle......и т.д.
rtl8186.sourceforge.net
Всем, кто пишет под RTL8186
P.S Если не хотите заморичиваться...лейте концептроникс..прямо с веб морды(шнурок перевертыш!!)

   Забыл добавить. В G700 есть одно очень приятное качество, касающееся безопастности в сети. С помощю этой фишки легко отследить кто через нее работает ибо она подставляет свой мак под клиента. Иными словами, клиент за этой ап ...мак на машине сменить не может. Все равно он будет светится под маком ТД. Так же клиент не может просканить сеть....все для него будут под одним маком кототый выдаст ТД. При установке оборудования клиенту есть возможность прописать ему на ТД любой мак адрес... на ваш выбор типа.. 00:00:DE:AD:FA:CE НО НЕ В КОЕМ СЛУЧАЕ НЕ СТАВТЕ ПЕРВЫМИ ДВЕ ЕДЕНИЦЫ!!

   Файл для скачивания доступен здесь UpgradeG700.zip (2,3Мб). Там же и инструкция как это все сделать из-под винды. Далее есть еще прошивка C54APM-G700AP инструкция внутри.

   Тема охлаждения ТД (только в прошивках у N.leiten и dgreen, см. НАГ.РУ) : Для построения точки в outdor прошивка содержит управление вентилятором и датчиком температуры фирмы Dallas (DS1820, DS18B20, DS18S20). Прошивка (firmware) для RTL8186-based устройств.

Альтернативные прошивки и ПО с открытым кодом для платформ на базе SoC Realtek RTL8186

   За комментарии к теме спасибо Dr. Morg и hex.


Восстановление DWL-G700AP.


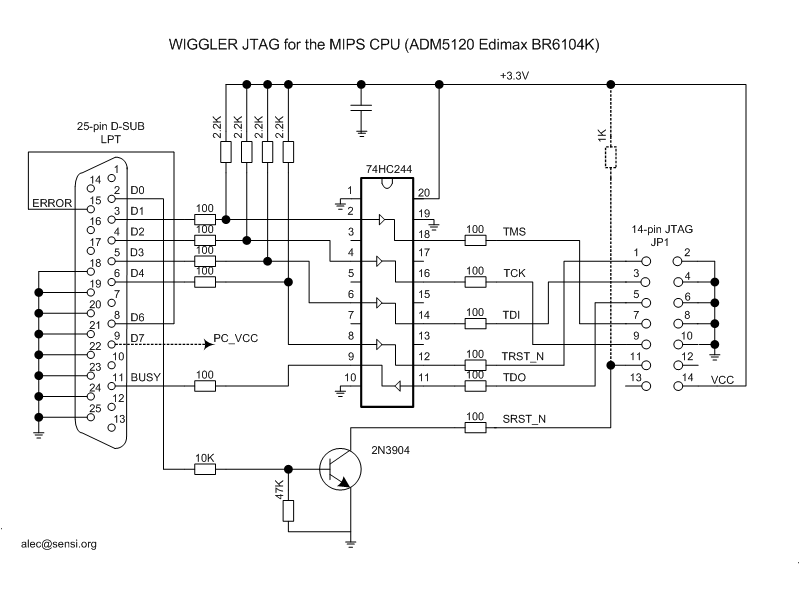
   Тема форума Восстановление DWL-G700AP на ОС WINXP. Автор apalex приводит схему для программирования через JTAG интерфейс.
   Небольшой комментарий от автора :
Подключиться к DWL-G700AP удалось с помощью установки cygwin с пакетами gcc, ioperm запустил jtag все прошло как по ссылке
Залил слитый с рабочей АПН boot.bin через JTAG. Подключил через LAN кабель и залил родной C54APM-G700AP.bin
Файл моих работ.


И соответствующий файл Восстановление_G700AP.doc ( 244 килобайт ) или он же в APup_G700AP.zip (194.3 Кбайт).



   Тема форума DWL700AP в режиме КЛИЕНТА. Автор SolarW приводит комментарии.
   Итак, кратенько.
Есть точка D-Link G700AP. С родной прошивкой может быть только AP и Repeater. Есть под нее прошивка от аналогичного по железу Концептроника. Но чтобы ее влить в 700-й необходимо сначала малость преобразовать ее - если склероз не изменяет откусить в начале файла 4 байта. Ссылка указанная выше ведет на уже преобразованный файл. Телнета в этой прошивке нету (а кто сказал что он там есть?). А в остальном - замечательная прошивка, позволяет использовать 700-го в любых режимах, менять МАС, мощность, порог чувствительности приемника. Зашивание этой прошивки (и откат потом на Длинк) делаются строго одинаково:
- включаем точку с нажатой клавишей резет
- через 5 сек отпускаем
- на винде (ну или у кого там что) даем приведенную выше команду
tftp -i 192.168.1.6 put <имя_файла>
(напоминать что компьютер должен иметь адрес из этой сети надеюсь не надо?) После отката на Длинк точка получает не оригинальный МАС а какой-то, из выданных Реалтеку (производителю кирпича). И такой адрес будет у всех точек.
Сменить как мне сказали можно тока припаяв к плате шнурок и присоединившись по ком-порту. ЧЕРЕЗ ВЕБИНТЕРФЕЙС НЕСТАНДАРТНЫЕ ПРОШИКИ НЕ ШЬЮТСЯ!!!
Тоже самое относительно 700-й прошитой в концептроник - НИЗЗЯ В НЕЕ НИЧЕГО ПО ВЕБУ ЛИТЬ!!!!



  VladMay, Krasnodar. 2007

© Копирование на другие сайты с разрешения автора. При цитировании ссылка на страницу обязательна.